SFP-приемопередатчики (SFP) малой формы меди 10GBASE-T Pluggable основаны на соглашении (MSA) источника SFP Multi.
SFP-приемопередатчики (SFP) малой формы меди 10GBASE-T Pluggable основаны на соглашении (MSA) источника SFP Multi. Они совместимы со стандартами 10Gbase-T / 5Gbase-T/2,5 Gbase-T / 1000base-T, как указано в IEEE Std 802,3. SFP -10GBASE-T использует штырь SFP RX_LOS (необходимо вытянуть вверх на хозяине) для индикации соединения. Если потяните вверх или откройте контакт TX_DISABLE SFP, PHY IC будет сброшен.
Особенности
● Поддержка 10Gbase-T / 5Gbase-T/2,5 Gbase-T / 1000base-T
● Горяч-pluggable след ноги SFP
● Компактный RJ-45 разъем в сборе
● Соответствие RoHS и не содержит свинца.
● Один источник питания 3,3 В
● 10-гигабитный Ethernet по кабелю Cat 6a
● Рабочая температура окружающей среды: от 0 ° C до 65 ° C.
Длина кабеля
Стандарт | Кабель | Достигните | Порт хоста |
10Gbase-T | Cat6a | 30 м | СФИ |
5Gbase-T/2,5 Gbase-t | Cat5e | 50 м | 5GBase-R/2,5 GBase-X |
1000base-T | Cat5e | 100 м | 1000Base-FX |
Пин | Символ | Имя/Описание | Справка. |
1 | VEET | Земля передатчика (общая с землей приемника) | 1 |
2 | Tfault | Неисправность передатчика. Не поддерживается. | |
3 | ТДИС | Передатчик отключен. Выход лазера отключен на высоком или открытом уровне. | 2 |
4 | MOD_DEF (2) | Определение модуля 2. Линия данных для серийного идентификатора. | 3 |
5 | MOD_DEF (1) | Определение модуля 1. Линия часов для серийного идентификатора. | 3 |
6 | MOD_DEF (0) | Определение модуля 0. Заземление внутри модуля. | 3 |
7 | Выбор тарифа | Подключение не требуется | |
8 | ЛОС | Высокий означает отсутствие связи. Низкий указывает на связь. | 4 |
9 | ВЕЕР | Заземление приемника (общее с заземлением передатчика) | 1 |
10 | ВЕЕР | Заземление приемника (общее с заземлением передатчика) | 1 |
11 | ВЕЕР | Заземление приемника (общее с заземлением передатчика) | 1 |
12 | РД- | Приемник перевернул ДАННЫЕ вне. Переменный ток соединенный | |
13 | РД | Приемник не перевернутый выход ДАННЫХ. Переменный ток соединенный | |
14 | ВЕЕР | Заземление приемника (общее с заземлением передатчика) | 1 |
15 | Vccr | Электропитание приемника | |
16 | Vcct | Электропитание передатчика | |
17 | VEET | Земля передатчика (общая с землей приемника) | 1 |
18 | ТД | Неинвертированные ДАННЫЕ передатчика в. Переменный ток соединен. | |
19 | ТД- | Ввод инвертированных данных передатчика. Переменный ток соединен. | |
20 | VEET | Земля передатчика (общая с землей приемника) | 1 |
SFP к разъему хоста Pin Out
Примечания:
1. заземление цепи подключено к заземление шасси
2. PHY отключен на TDIS> 2,0 В или открыт, включен на TDIS <0,8 В
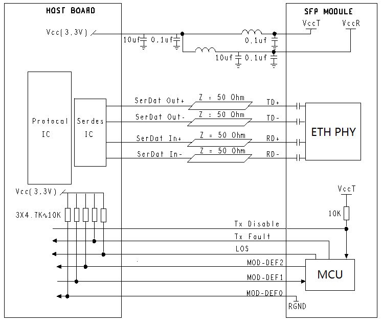
3. На плате хоста следует подтянуть с напряжением 4,7-10 кОм до напряжения от 2,0 В до 3,6 В. MOD_DEF (0) тянет линию ниже, чтобы указать, что модуль подключен.
4. LVTTL совместим с максимальным напряжением 2,5 В.
Рисунок 1. Схема номеров и названий контактов блока разъема платы хоста
Интерфейс электропитания + 3,3 В
SFP +-10GBASE-T имеет диапазон входного напряжения 3,3 В +/- 5%. Максимальное напряжение 4 В не допускается для непрерывной работы.
+ 3,3 Вольт Интерфейс электропитания | ||||||
Параметр | Символ | Мин | Тип | Макс | Единица | Примечания/Условия |
Ток поставки | Есть | 700 | 900 | МА | Максимальная мощность более 3,0 Вт Полный диапазон напряжения И температура. См. Предупреждение ниже | |
Входное напряжение | Vcc | 3,13 | 3,3 | 3,47 | V | Ссылка на GND |
Максимальное напряжение | VMAX | 4 | V | |||
Импульсный ток | Isurge | TBD | МА | Горячая вилка выше устойчивого состояния Ток. Смотрите предостережение Ниже | ||
Осторожно: Потребляемая мощность и импульсный ток выше, чем указанные значения в SFP MSA.
Сигналы с низкой скоростью
MOD_DEF (1) (SCL) и MOD_DEF (2) (SDA) являются сигналами CMOS с открытым стоком (см. раздел VII, «Протокол последовательной связи»). Оба MOD_DEF (1) и MOD_DEF (2) должны быть подтянуты к host_Vcc
Низкоскоростные сигналы, электронные характеристики | |||||
Параметр | Символ | Мин | Макс | Единица | Примечания/Условия |
Выход СФП НИЗКИЙ | Vol | 0 | 0,5 | V | Подтягивание от 4,7 k до 10k к host_Vcc, Измеряется на стороне хоста разъема |
Выход SFP ВЫСОКИЙ | VOH | Хост _ Vcc-0,5 | Хост_Vcc + 0,3 | V | Подтягивание от 4,7 k до 10k к host_Vcc, Измеряется на стороне хоста разъема |
Вход SFP НИЗКИЙ | Вил | 0 | 0,8 | V | От 4,7 k до 10k подтягивание к Vcc, Измерено на стороне SFP разъема |
Вход SFP ВЫСОКИЙ | VIH | 2 | ВЦЦ + 0,3 | V | От 4,7 k до 10k подтягивание к Vcc, Измерено на стороне SFP разъема |
Высокоскоростной электрический интерфейс.
Все высокоскоростные сигналы имеют внутреннюю переменное соединение.
Высокоскоростной электрический интерфейс, линия электропередачи-SFP | ||||||||||||
Параметр | Символ | Мин | Тип | Макс | Единица | Примечания/Условия | ||||||
Частота линии | FL | 125 | МГц | 5-уровневое кодирование, за IEEE 802,3 | ||||||||
TX Вывод Импеданс | Zout, Техас | 100 | Ом | Дифференциал, для всех Частоты между 1 МГц и 125 МГц | ||||||||
РХ Ввод Импеданс | Зин, РХ | 100 | Ом | Дифференциал, для всех Частоты между 1 МГц и 125 МГц | ||||||||
Высокоскоростной электрический интерфейс, хост-SFP | ||||||||||||
Параметр | Символ | Мин | Тип | Макс | Единица | Примечания/Условия | ||||||
Единый завершенный ввод данных Качели | Винсинг | 250 | 1200 | МВ | Одиночный законченный | |||||||
Одиночный законченный вывод данных Качели | Voutsing | 350 | 800 | МВ | Одиночный законченный | |||||||
Время подлета/падения | Тр, Тф | 175 | Псек | 20%-80% | ||||||||
Входное сопротивление Tx | Зин | 50 | Ом | Одиночный законченный | ||||||||
Выходное сопротивление Rx | Зут | 50 | Ом | Одиночный законченный | ||||||||
Общие характеристики
Общие | ||||||
Параметр | Символ | Мин | Тип | Макс | Единица | Примечания/Условия |
Скорость передачи данных | БР | 1 | 10 | Гб/сек | Совместимость с IEEE 802,3. Смотрите примечания 1,2 ниже | |
Примечания:
1. Допуск часов составляет/- 50 ppm
ИНФОРМАЦИЯ EEPROM (A0)
Аддр | Размер поля (Байты) | Название поля | Шестигранник | Описание |
0 | 1 | Идентификатор | 03 | СФП |
1 | 1 | Экзт. Идентификатор | 04 | MOD4 |
2 | 1 | Коннектор | 07 | ЛК |
3-10 | 8 | Трансивер | 10 00 00 00 00 00 00 00 | Код передатчика |
11 | 1 | Кодирование | 06 | 64B66B |
12 | 1 | КР, номинальная | 67 | 1000 м бит/с |
13 | 1 | Зарезервировано | 00 | |
14 | 1 | Длина (9um)-км | 00 | |
15 | 1 | Длина (9um) | 00 | |
16 | 1 | Длина (50um) | 08 | |
17 | 1 | Длина (62,5 мкм) | 02 | |
18 | 1 | Длина (медь) | 00 | |
19 | 1 | Зарезервировано | 00 | |
20-35 | 16 | Имя поставщика | 57 49 4Э 54 4Ф 50 20 20 20 20 20 20 20 20 20 20 | |
36 | 1 | Зарезервировано | 00 | |
37-39 | 3 | Поставщик OUI | 00 00 00 | |
40-55 | 16 | Поставщик PN | Хх Хх | АСК II |
56-59 | 4 | Поставщик Rev | 31 2Е 30 20 | V1.0 |
60-61 | 2 | Длина волны | 03 52 | 850 нм |
62 | 1 | Зарезервировано | 00 | |
63 | 1 | СС БАЗА | XX | Контрольная сумма байта 0 ~ 62 |
64-65 | 2 | Варианты | 00 1А | LOS, TX_DISABLE, TX_FAULT |
66 | 1 | BR, макс | 00 | |
67 | 1 | КР, мин | 00 | |
68-83 | 16 | Поставщик SN | 00 00 00 00 00 00 00 00 00 00 00 00 00 00 00 00 | Неуказанный |
84-91 | 8 | Код даты поставщика | ХХ 20 | Год, Месяц, День |
92-94 | 3 | Зарезервировано | 00 | |
95 | 1 | CC_EXT | XX | Контрольная сумма байта 64 ~ 94 |
96-255 | 160 | Конкретный поставщик |
ИНФОРМАЦИЯ EEPROM (A2) Необязательно

Экологические характеристики
Автоматическое обнаружение кроссовера включено. Внешний перекрестный кабель не требуется
Экологические характеристики | ||||||
Параметр | Символ | Мин | Тип | Макс | Единица | Примечания/Условия |
Рабочая температура | Топ | 0 | 65 | ° С | Температура корпуса | |
Температура хранения | TSTA | -40 | 85 | ° С | Температура окружающей среды | |
Протокол последовательной связи
Сроки последовательной шины, требования | ||||||
Параметр | Символ | Мин | Тип | Макс | Единица | Примечания/Условия |
Тактовая частота I 2C | 0 | 200 000 | Гц | |||
Все SFP поддерживают двухпроводный последовательный протокол связи, изложенный в SFP MSA. Эти SFP используют MCU, к которым можно получить доступ с адресом A0h.
Рекомендуемая схема применения

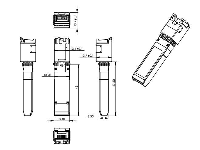
Контура чертежа (мм)
| Date | Version | Description | Download | ||
| 2025-03-17 | Спецификация данных _ 10G SFP Медь Transceiver_LA-OT-10GT-RJ | ||||
Подпишитесь сейчас, вы можете получить более 100 ценных ресурсов и белой бумаги.
Следуйте за нами, также можете получать последние продукты и отраслевую информацию в электронных письмах наших членов.Узнать подробности >>>
Позвоните нам на:
Напишите нам:
2106B, № 3D, Облако Парк Фаза 1, Bantian, Лунган, Шэньчжень, 518129, P.R.C.