Скорость передачи данных до 28 Гбит/с на канал, 8 передатчиков и приемников дуплексных каналов, встроенный массив VCSEL 850 нм и массив PD, совместимый с оптическим интерфейсом с одним разъемом MPO24.
Особенности
● Скорость передачи данных до 28 Гбит/с на канал.
● 8 дуплексных каналов передатчиков и приемников
● Интегрированный массив VCSEL 850 нм и массив PD
Штепсельной розетки соединителя МПО 24 ● интерфейс одиночной оптически уступчивый
● Один источник питания 3,3 В
● Реализована функция DDM
● Горячее подключение QSFP-DD форм-фактор
Длина связи ● максимальная 100 м на 24 волокне ядра МПО ОМ4 (ММФ)
● Рассеиваемая мощность: <4,5 Вт.
● Международный класс 1 лазерная безопасность сертифицирована
● Диапазон рабочих температур: 0 ℃ ~ 70 ℃.
● Соответствует ROHS10
Абсолютные максимальные рейтинги
Параметры | Символ | Единица | Мин | Макс |
Диапазон температур хранения | Ts | ℃ | -40 | 85 |
Относительная влажность | Правый | % | 5 | 95 |
Напряжение питания | Vcc | V | -0,5 | + 3,6 |
Рекомендуемые условия эксплуатации
Параметры | Символ | Единица | Мин. | Типичные | Макс |
Операционный случай Диапазон температур | ТК | ℃ | 0 | 70 | |
Напряжение питания | Vcc | V | 3,14 | 3,3 | 3,46 |
Битрейт NRZ (на канал) | БР | Гбит/с | 25,78 |
Оптические характеристики
Параметры | Символ | Единица | Мин. | Типичные | Макс | Примечание | |
Передатчик (на полосу) | |||||||
Скорость сигнализации на майну | Гбит/с | 25,78125 | НРЗ | ||||
Длина волны центра | Нм | 840 | 850 | 860 | |||
RMS Спектральная ширина | СВ | Нм | 0,6 | ||||
Средний запуск Мощность на полосу | ТХПХ | ДБм | − 8,4 | 2,4 | |||
Tx OMA на полосу | Txoma | ДБм | -6,4 | 3 | |||
Разница во власти Между Любые две полосы (OMA) | ДПХ | ДБм | 4 | ||||
Средняя мощность запуска Выключенного передатчика На полосу движения | ДБм | -30 | |||||
Передатчик и Дисперсия глаз Закрытие на полосу | ТДЕК | ДБ | 4,3 | ||||
Мощность запуска в OMA минус TDEC | ДБм | -7,3 | |||||
Оптическое вымираание Соотношение | ER | ДБ | 2 | ||||
Оптический возврат Допуск потери | Орл | ДБ | 12 | ||||
Закругленный поток | ФЛКС | ДБм | > 86% при 19um | ||||
<30% при 4,5 мкм | |||||||
Шум относительной интенсивности | РИН | ДБ/Гц | РИН | ||||
Приемник (на полосу) | |||||||
Скорость сигнализации на майну | Гбит/с | 25,78125 | НРЗ | ||||
Длина волны центра | Нм | 840 | 860 | ||||
Порог повреждения | ДТ | ДБм | 3,4 | ||||
Средний прием Мощность на полосу | Рхпкс | ДБм | -10,3 | 2,4 | |||
Мощность приемника (OMA) на полосу | RxOMA | ДБм | 3 | ||||
Отражение приемника | РФЛ | ДБ | − 12 | ||||
Вертикальное закрытие глаз Штраф, за полосу | ДБ | 1,9 | |||||
Подчеркнул получить Чувствительность (OMA) на полосу | SRS | ДБм | − 5,2 | ||||
Чувствительность (OMA) на полосу | С | ДБм | -10,3 | ||||
ЛОС Де-Ассерт | Losd | ДБм | − 12 | ||||
ЛОС Ассерт | ЛОСА | ДБм | -30 | ||||
ЛОС Гистерезис | ДБм | 0,5 | |||||
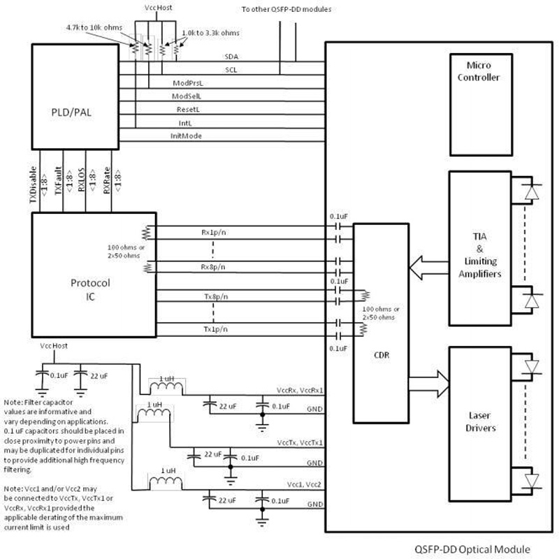
Принцип Диаграмма

Рисунок 1. Принципальная схема модуля
Определение электрических портов
Параметры | Символ | Единица | Мин. | Типичные | Макс | Примечание |
Напряжение питания | VCC VCC3.3-Tx VCC3.3-Rx | V | 3,14 | 3,3 | 3,46 | |
Ток поставки | МКК | МА | 1300 | |||
Потребляемая мощность | ПК | Вт | 4,5 | |||
Трансивер Питание-на Время инициализации | Мс | 2000 | ||||
Передатчик | ||||||
Одиночный входной сигнал VoltageTolerance | Винт | V | -0,3 | 4,0 | ||
Дифференциальные данные Входной качели | VIN | МВп-п | 300 | 1200 | ||
Общий переменный ток Режим вывода Напряжение (RMS) | МВ | 15 | ||||
Дифференциальный вход Импеданс | Ом | 90 | 100 | 110 | ||
Приемник | ||||||
Одиночный входной сигнал VoltageTolerance | Вутр | V | 0,2 | |||
Дифференциальные данные Выходной качели | Вут, ПП | МВп-п | 350 | 850 | ||
Общий режим переменного тока Выходное напряжение (RMS) | МВ | 7,5 | ||||
Дифференциальный выход Импеданс | Ом | 90 | 100 | 110 | ||
Связь IIC | ||||||
Тактовая частота IIC | КГц | 100 | 400 | |||
Часы растягивающиеся | США | 500 | ||||
Время удержания данных | Нс | 300 | ||||
Пин Deion

Диаграмма 2. Электрические детали Пин-вне
Пин | Логика | Символ | Deion | Примечание |
1 | Земля | Земля | 1 | |
2 | CML-I | Тх2н | ПередатчиИнвертедВходные данные | |
3 | CML-I | ТХ2П | ПередатчиНеинвертныйвход данных | |
4 | Земля | Земля | 1 | |
5 | CML-I | Тх4н | ПередатчиИнвертедВходные данные | |
6 | CML-I | ТХ4П | ПередатчиНеинвертныйвход данных | |
7 | Земля | Земля | 1 | |
8 | LVTTL-I | Модселл | Выбор модуляВыберите | |
9 | LVTTL-I | Сброс | Сброс модуля | |
10 | Vccrx | 3,3 Источник питания | 2 | |
11 | LVCOMS-I/O | СКЛ | 2-проводные последовательные интерфейсчасы | |
12 | LVCOMS-I/O | ПДД | 2-проводной последовательный интерфейсданных | |
13 | Земля | Земля | 1 | |
14 | CML-0 | Рх3п | РесиверНеинвертныйВыход данных | |
15 | CML-0 | Ркс3н | РесиверИнвертedDataOutput | |
16 | Земля | Земля | 1 | |
17 | CML-0 | Рк1п | РесиверНеинвертныйВыход данных | |
18 | CML-0 | Рк1н | РесиверИнвертedDataOutput | |
19 | Земля | Земля | 1 | |
20 | Земля | Земля | 1 | |
21 | CML-0 | Ркс2н | РесиверИнвертedDataOutput | |
22 | CML-0 | Рх2п | РесиверНеинвертныйВыход данных | |
23 | Земля | Земля | 1 | |
24 | CML-0 | Ркс4н | РесиверИнвертedDataOutput | |
25 | CML-0 | Рх4п | РесиверНеинвертныйВыход данных | |
26 | Земля | Земля | 1 | |
27 | LVTTL-0 | МодпрсЛ | Модуль Присутствует | |
28 | LVTTL-0 | Международный | Прерывание | |
29 | Vcctx | 3,3 ВПоверПоставкепередатчик | 2 | |
30 | VCC1 | 3,3 VPowerSupply | 2 | |
31 | LVTTL-I | InitMode | Режим инициализации; В legacyQSFPприложениях, IntiModepadisc AlledLPMode | |
32 | Земля | Земля | 1 | |
33 | CML-I | ТХ3П | ПередатчиНеинвертныйвход данных | |
34 | CML-I | Тх3н | ПередатчиИнвертедВходные данные | |
35 | Земля | Земля | 1 | |
36 | CML-I | ТХ1П | ПередатчиНеинвертныйвход данных | |
37 | CML-I | Ткс1н | ПередатчиИнвертедВходные данные | |
38 | Земля | Земля | 1 | |
39 | Земля | Земля | 1 | |
40 | CML-I | TX6N | ПередатчиИнвертедВходные данные | |
41 | CML-I | ТХ6П | ПередатчиНеинвертныйвход данных | |
42 | Земля | Земля | 1 | |
43 | CML-I | Tx8n | ПередатчиИнвертедВходные данные | |
44 | CML-I | TX8P | ПередатчиНеинвертныйвход данных | |
45 | Земля | Земля | 1 | |
46 | Зарезервировано | Для будущего | 3 | |
47 | ВС1 | МодуляВендорСпецифика 1 | 3 | |
48 | Vccrx1 | 3,3 Источник питания | 2 | |
49 | VS2 | МодуляВендорСпецифика 2 | 3 | |
50 | VS3 | МодуляВендорСпецифика 3 | 3 | |
51 | Земля | Земля | 1 | |
52 | CML-0 | Рх7п | РесиверНеинвертныйВыход данных | |
53 | CML-0 | Ркс7н | РесиверИнвертedDataOutput | |
54 | Земля | Земля | 1 | |
55 | CML-0 | Рх5п | РесиверНеинвертныйВыход данных | |
56 | CML-0 | Рк5н | РесиверИнвертedDataOutput | |
57 | Земля | Земля | 1 | |
58 | Земля | Земля | 1 | |
59 | CML-0 | Ркс6н | РесиверИнвертedDataOutput | |
60 | CML-0 | Рх6п | РесиверНеинвертныйВыход данных | |
61 | Земля | Земля | 1 | |
62 | CML-0 | Рх8н | РесиверИнвертedDataOutput | |
63 | CML-0 | Рх8п | РесиверНеинвертныйВыход данных | |
64 | Земля | Земля | 1 | |
65 | НК | NotConnect | 3 | |
66 | Зарезервировано | Для будущего | 3 | |
67 | Vcctx1 | 3,3 ВПоверПоставкепередатчик | 2 | |
68 | VCC2 | 3,3 VPowerSupply | 2 | |
70 | Земля | Земля | 1 | |
71 | CML-I | TX7P | ПередатчиНеинвертныйвход данных | |
72 | CML-I | Tx7n | ПередатчиИнвертедВходные данные | |
73 | Земля | Земля | 1 | |
74 | CML-I | ТХ5П | ПередатчиНеинвертныйвход данных | |
75 | CML-I | Tx5n | ПередатчиИнвертедВходные данные | |
76 | Земля | Земля | 1 |
Примечания:
1.QSFP-DD использует общую землю (GND) для всех сигналов и питания (питания). Все общее в модуле QSFP-DD и все напряжения модуля относятся к этому потенциалу, если не указано иное. Подключены тезисы непосредственно к общей плоскости заземления сигнала материнской платы.
2.VccRx, VccRx1, Vcc1, Vcc2, VccTx и VccTx1 применяются одновременно. Требования, определенные для хост-стороны граничного разъема хост-карты, перечислены в таблице 4. VccRx, VccRx1, Vcc1, Vcc2, VccTx и VccTx1 могут быть подключены внутри модуля в любой комбинации. Каждый из контактов разъема Vcc рассчитан на максимальный ток 1000 мА.
3. Все контакты, специфические для поставщика, зарезервированные и без подключения, могут быть соединены с 50 Ом на землю на хосте. Pad 65 (без подключения) должен оставаться неподключенным внутри модуля. Конкретные и зарезервированные контактные площадки поставщика должны иметь сопротивление к GND, превышающее 10 кОм и менее 100 пФ.
Цифровая диагностическая карта памяти

Диаграмма 3 Карта памяти цифров диагностическая
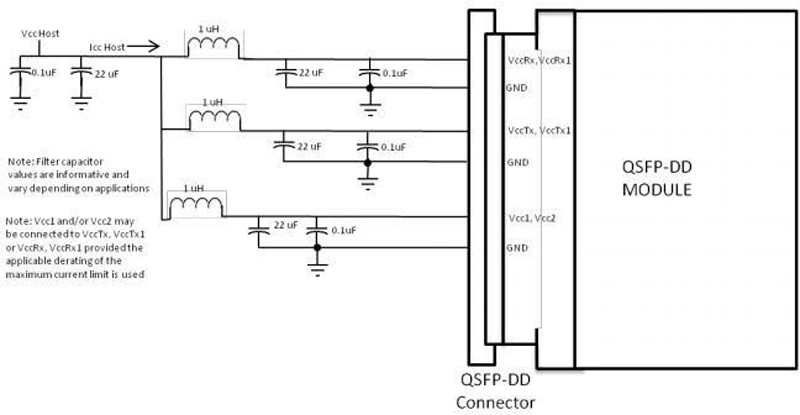
Фильтрация источника питания хост-платы
Любое падение напряжения в сети фильтров на хосте засчитывается в соответствии со спецификацией точности заданных точек постоянного тока хоста. Индукторы с сопротивлением постоянному току менее 0,1 Ом должны использоваться для поддержания требуемого напряжения на разъеме пограничной платы хоста. На рисунке показан предлагаемый интерфейс приемопередатчика/хоста.

Рисунок 4 Рекомендуемая фильтрация источника питания хост-платы
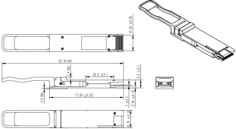
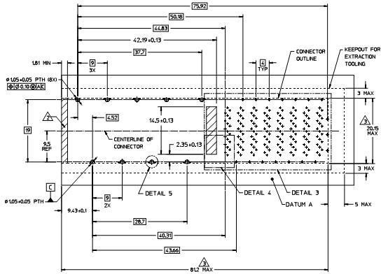
Контура чертежа (мм)

Рисунок 5 Схема пакета

Рисунок 6 Схема распиновка MPO и Deion
Рекомендация макета печатной платы хоста

Рисунок 7 Рекомендация по компоновке печатных плат
Применения
● 200GBASE-SR8 Ethernet
● 2 × 100GBASE-SR4 Ethernet
Соединения переключателя & маршрутизатора ●
● Центры данных
● Другие требования к соединению 200G
| Date | Version | Description | Download | ||
| 2025-03-17 | Спецификация _ 200G QSFP-DD SR8 850 нм 100 м _ LA-OT-200G-SR8_V2.X | ||||
Подпишитесь сейчас, вы можете получить более 100 ценных ресурсов и белой бумаги.
Следуйте за нами, также можете получать последние продукты и отраслевую информацию в электронных письмах наших членов.Узнать подробности >>>
Позвоните нам на:
Напишите нам:
2106B, № 3D, Облако Парк Фаза 1, Bantian, Лунган, Шэньчжень, 518129, P.R.C.