Этот продукт представляет собой параллельный четырехъядерный малый форм-фактор 400 Гбит/с возможностью подключения-оптический модуль двойной плотности (QSFP-DD). Это обеспечивает повышенную плотность портов и общую экономию затрат системы.
Этот продукт представляет собой параллельный четырехъядерный малый форм-фактор 400 Гбит/с возможностью подключения-оптический модуль двойной плотности (QSFP-DD). Это обеспечивает повышенную плотность портов и общую экономию затрат системы. Полнодуплексный оптический модуль предлагает 8 независимых каналов передачи и приема, каждый из которых способен работать со скоростью 53125 Гбит/с для совокупной скорости передачи данных 400 Гбит/с на 100 метрах многорежимного волокна OM3. Волоконно-оптический кабель с разъемом MTP/MPO-16 можно подключить к розетке модуля QSFP-DD SR8. Правильное выравнивание обеспечивается направляющими штифтами внутри розетки. Кабель обычно не может быть скручен для правильного выравнивания канала. Электрическое соединение достигается через разъем краеобразного типа, совместимый с MSA. Центральные длины волн всех 8 параллельных полос составляют 850 нм. Он содержит оптический разъем MPO-16 для оптического интерфейса и 60-контактный разъем для электрического интерфейса. Необходим, что поддерживает FEC хозяина передачу многорежимного волокна OM3 до 70m. Продукт разработан с форм-фактором, оптическим/электрическим соединением и цифровым диагностическим интерфейсом в соответствии с Соглашением с несколькими источникам (MSA) Тип 2. Он был разработан для соответствия самым жестким внешним условиям эксплуатации, включая температуру, влажность и помехи электромагнитных помех.
Особенности
● QSFP-DD Соответствие требованиям MSA
Майны ● 8 параллельные на длине волны центра 850нм
● Соответствует спецификации IEEE 802.3bs.
● Передача до 100 м на мультимодовом волокне (ММФ) ОМ3 с ФЭК
● Рабочая температура корпуса: от 0 до 70oC.
● Электрический интерфейс 8x53,125 Гбит/с (400GAUI-8)
● Скорость передачи данных 53125 Гбит/с (PAM4) на канал.
● Максимальная потребляемая мощность 12 Вт.
● MPO-16 разъем
● Соответствие RoHS
Блок схемы приемопередатчика
Рисунок 1. Блок-схема приемопередатчика
Оптический интерфейс и назначение контактов
Электрическая распиновка модуля QSFP-DD показана на рисунке 2. На рисунке 3 показан оптический интерфейс MPO-16.
Рисунок 2. Соединитель, совместимый с MSA

Рисунок 3. MPO-16 Интерфейс оптического разъема
Определение штифта
Пин | Логика | Символ | Deion | Последовательность штекера |
1 | Земля | Земля | 1B | |
2 | CML-I | Тх2н | Передатчик Инвертированный ввод данных | 3Б |
3 | CML-I | ТХ2П | Не-перевернутый ввод данных передатчика | 3Б |
4 | Земля | Земля | 1B | |
5 | CML-I | Тх4н | Передатчик Инвертированный ввод данных | 3Б |
6 | CML-I | ТХ4П | Не-перевернутый ввод данных передатчика | 3Б |
7 | Земля | Земля | 1B | |
8 | LVTTL-I | Модселл | Выбор модуля | 3Б |
9 | LVTTL-I | Сброс | Сброс модуля | 3Б |
10 | Vccrx | Приемник источника питания 3,3 В | 2B | |
11 | LVCMOS- Ввод/вывод | СКЛ | 2-проводные часы последовательного интерфейса | 3Б |
12 | LVCMOS- Ввод/вывод | ПДД | Данные 2-проводного последовательного интерфейса | 3Б |
13 | Земля | Земля | 1B | |
14 | CML-O | Рх3п | Не-инвертированный вывод данных приемника | 3Б |
15 | CML-O | Ркс3н | Перевернутый вывод данных приемника | 3Б |
16 | Земля | Земля | 1B | |
17 | CML-O | Рк1п | Не-инвертированный вывод данных приемника | 3Б |
18 | CML-O | Рк1н | Перевернутый вывод данных приемника | 3Б |
19 | Земля | Земля | 1B | |
20 | Земля | Земля | 1B | |
21 | CML-O | Ркс2н | Перевернутый вывод данных приемника | 3Б |
22 | CML-O | Рх2п | Не-инвертированный вывод данных приемника | 3Б |
23 | Земля | Земля | 1B | |
24 | CML-O | Ркс4н | Перевернутый вывод данных приемника | 3Б |
25 | CML-O | Рх4п | Не-инвертированный вывод данных приемника | 3Б |
26 | Земля | Земля | 1B | |
27 | LVTTL-O | МодпрсЛ | Модуль присутствует | 3Б |
28 | LVTTL-O | Международный | Прерывание | 3Б |
29 | Vcctx | Передатчик питания 3,3 В | 2B | |
30 | VCC1 | Источник питания 3,3 В | 2B | |
31 | LVTTL-I | InitMode | Режим инициализации; В устаревших приложениях QSFP, InitMode Планшет называется LPMODE | 3Б |
32 | Земля | Земля | 1B | |
33 | CML-I | ТХ3П | Не-перевернутый ввод данных передатчика | 3Б |
34 | CML-I | Тх3н | Передатчик Инвертированный ввод данных | 3Б |
35 | Земля | Земля | 1B | |
36 | CML-I | ТХ1П | Не-перевернутый ввод данных передатчика | 3Б |
37 | CML-I | Ткс1н | Передатчик Инвертированный ввод данных | 3Б |
38 | Земля | Земля | 1B | |
39 | Земля | Земля | 1А | |
40 | CML-I | TX6N | Передатчик Инвертированный ввод данных | 3А |
41 | CML-I | ТХ6П | Не-перевернутый ввод данных передатчика | 3А |
42 | Земля | Земля | 1А | |
43 | CML-I | Tx8n | Передатчик Инвертированный ввод данных | 3А |
44 | CML-I | TX8P | Не-перевернутый ввод данных передатчика | 3А |
45 | Земля | Земля | 1А | |
46 | Зарезервировано | Для будущего использования | 3А | |
47 | ВС1 | Модуль Поставщик Специфический 1 | 3А | |
48 | Vccrx1 | Источник питания 3,3 В | 2А | |
49 | VS2 | Модуль конкретного поставщика 2 | 3А | |
50 | VS3 | Модуль конкретного поставщика 3 | 3А | |
51 | Земля | Земля | 1А | |
52 | CML-O | Рх7п | Не-инвертированный вывод данных приемника | 3А |
53 | CML-O | Ркс7н | Перевернутый вывод данных приемника | 3А |
54 | Земля | Земля | 1А | |
55 | CML-O | Рх5п | Не-инвертированный вывод данных приемника | 3А |
56 | CML-O | Рк5н | Перевернутый вывод данных приемника | 3А |
57 | Земля | Земля | 1А | |
58 | Земля | Земля | 1А | |
59 | CML-O | Ркс6н | Перевернутый вывод данных приемника | 3А |
60 | CML-O | Рх6п | Не-инвертированный вывод данных приемника | 3А |
61 | Земля | Земля | 1А | |
62 | CML-O | Рх8н | Перевернутый вывод данных приемника | 3А |
63 | CML-O | Рх8п | Не-инвертированный вывод данных приемника | 3А |
64 | Земля | Земля | 1А | |
65 | НК | Нет подключения | 3А | |
66 | Зарезервировано | Для будущего использования | 3А | |
67 | Vcctx1 | Источник питания 3,3 В | 2А | |
68 | VCC2 | Источник питания 3,3 В | 2А | |
69 | Зарезервировано | Для будущего использования | 3А | |
70 | Земля | Земля | 1А | |
71 | CML-I | TX7P | Не-перевернутый ввод данных передатчика | 3А |
72 | CML-I | Tx7n | Передатчик Инвертированный ввод данных | 3А |
73 | Земля | Земля | 1А | |
74 | CML-I | ТХ5П | Не-перевернутый ввод данных передатчика | 3А |
75 | CML-I | Tx5n | Передатчик Инвертированный ввод данных | 3А |
76 | Земля | Земля | 1А |
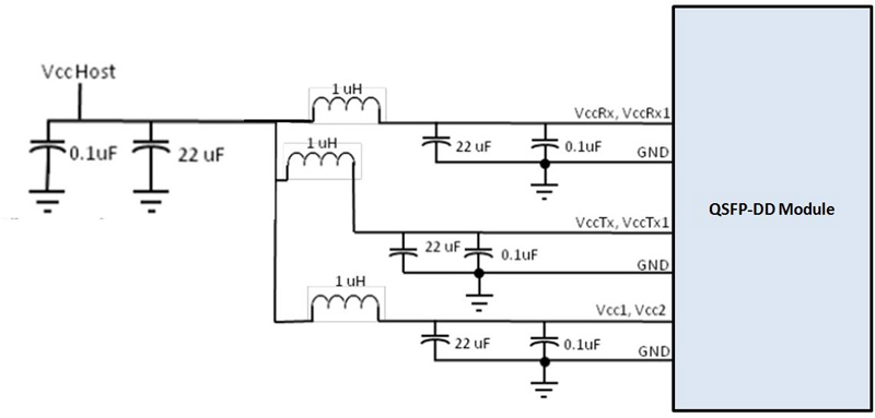
Рекомендуемый фильтр питания

Рисунок 4. Рекомендуемый фильтр питания
Абсолютные максимальные рейтинги
Следует отметить, что работа, превышающая любые индивидуальные абсолютные максимальные оценки, может привести к необратимому повреждению этого модуля.
| Параметр | Символ | Мин | Макс | Единицы | Примечания |
| Температура хранения | ТС | -40 | 85 | Degc | |
| Рабочая температура корпуса | ТОП | 0 | 70 | Degc | |
| Напряжение питания | VCC | -0,5 | 3,6 | V | |
Относительная влажность (Без конденсации) | Правый | 0 | 85 | % |
Рекомендуемые условия эксплуатации и требования к электропитанию
| Параметр | Символ | Мин | Типичные | Макс | Единицы | Примечания |
| Рабочая температура корпуса | ТОП | 0 | 70 | Degc | ||
| Напряжение питания | VCC | 3135 | 3,3 | 3465 | V | |
| Тариф данных, каждая майна | 26,5625 | ГБД | ПАМ 4 | |||
| Точность тарифа данных | -100 | 100 | Промилле | |||
| Коэффициент ошибки бита Пре-ФЭК | 2,4x10-4 | |||||
| Коэффициент ошибки бита Пост-ФЭК | 1x10-12 | 1 | ||||
| Расстояние связи с OM3 | Д | 0,5 | 100 | М | 2 |
Примечания:
1. FEC предоставляется хост-системой.
2. FEC требуется в хост-системе для поддержки максимального расстояния.
Электрические характеристики
Следующие электрические характеристики определены в Рекомендуемой рабочей среде, если не указано иное.
| Параметр | Испытание | Мин | Типичные | Макс | Единицы | Примечания | |||||||
| Точка | |||||||||||||
| Потребляемая мощность | 12 | Вт | |||||||||||
| Ток поставки | МКК | 3,63 | А | ||||||||||
| Передатчик (каждая полоса) | |||||||||||||
| Сигнализируя тариф, каждая майна | ТР1 | 26,5625 ± 100 ппм | ГБД | ||||||||||
Дифференциальный pk-pk Допуск входного напряжения | ТП1а | 900 | Мвпп | 1 | |||||||||
Дифференциальное прекращение Несоответствие | ТР1 | 10 | % | ||||||||||
| IEEE 802,3- | |||||||||||||
Дифференциальный вход Возвращенная потеря | ТР1 | 2015 | ДБ | ||||||||||
| Уравнение | |||||||||||||
| -8,30Е-04 | |||||||||||||
| IEEE 802,3- | |||||||||||||
Дифференциал к общему Режим Входной сигнал Возвратная потеря | ТР1 | 2015 | ДБ | ||||||||||
| Уравнение | |||||||||||||
| -8,30Е-05 | |||||||||||||
| Модуль подчеркнул входной тест | ТП1а | Смотрите IEEE 802.3bs 120E.3.4.1 | 2 | ||||||||||
Одно-законченный напряжение тока Диапазон допуска (мин.) | ТП1а | От-0,4 до 3,3 | V | ||||||||||
Общий режим постоянного тока Входное напряжение | ТР1 | -350 | 2850 | МВ | 3 | ||||||||
| Приемник (каждая полоса) | |||||||||||||
Сигнализация Тариф, Каждая полоса | ТР4 | 26,5625 ± 100 ппм | ГБД | ||||||||||
Дифференциальный Пик-пик Выходное напряжение | ТР4 | 900 | Мвпп | ||||||||||
Общий переменный ток Режим вывода Напряжение, RMS | ТР4 | 17,5 | МВ | ||||||||||
Дифференциальный Прекращение Несоответствие | ТР4 | 10 | % | ||||||||||
| IEEE 802,3- | |||||||||||||
Дифференциальный Вывод Возвращение Потери | ТР4 | 2015 | |||||||||||
| Уравнение | |||||||||||||
| -8,30Е-01 | |||||||||||||
| IEEE 802,3- | |||||||||||||
Общие для Дифференциальный Режим Преобразование Возвращенная потеря | ТР4 | 2015 | |||||||||||
| Уравнение | |||||||||||||
| -8,30Е-02 | |||||||||||||
Переход Время, 20% Для 80% | ТР4 | 9,5 | Пс | ||||||||||
Близко-конец Глаз Симметрия Маска | ТР4 | 0265 | Пользовательский интерфейс | ||||||||||
| Ширина (ЭСМВ) | |||||||||||||
Близко-конец Высота глаз, | ТР4 | 70 | МВ | ||||||||||
| Дифференциальный | |||||||||||||
Far-end Глаз Симметрия Маска | ТР4 | 0,2 | Пользовательский интерфейс | ||||||||||
| Ширина (ЭСМВ) | |||||||||||||
Far-end Глаз Высота, Дифференциальный | ТР4 | 30 | МВ | ||||||||||
Far-end Пре-курсор Коэффициент ISI | ТР4 | -4,5 | 2,5 | % | |||||||||
Общие Режим Вывод Напряжение (Vcm) | ТР4 | -350 | 2850 | МВ | 3 | ||||||||
Примечания:
1. За исключением IEEE 802.3bs 120E.3.1.2, шаблон PRBS31Q или скремблированный в режиме ожидания.
2. Соответствует BER, указанной в IEEE 802.3bs 120E.1.1.
3. Синфазное напряжение постоянного тока, генерируемое хостом. Спецификация включает эффекты напряжения смещения заземления.
Оптические характеристики
| Параметр | Символ | Мин | Типичные | Макс | Единицы | Примечания |
| Передатчик | ||||||
| Длина волны центра | ΛC | 840 | 850 | 860 | Нм | |
| Тариф данных, каждая майна | 26,5625 ± 100 ппм | ГБД | ||||
| Формат модуляции | ПАМ 4 | |||||
| RMS Спектральная ширина | ∆Λrms | 0,6 | Нм | Модулированный | ||
Средний запуск Мощность, каждая полоса | ПАВГ | -6,5 | 4 | ДБм | 1 | |
| Внешняя оптическая модуляция | ||||||
Амплитуда (OMAouter), Каждая полоса | Пома | -4,5 | 3 | ДБм | 2 | |
Мощность запуска в Омутер минус TDECQ, каждая полоса | -5,9 | ДБ | ||||
Передатчик и Дисперсия глаз Клоузер для ПАМ 4, каждая майна | ||||||
| Tdecq | 4,5 | ДБ | ||||
| Коэффициент вымираания | ER | 3 | ДБ | |||
| Оптически возвращенная потеря | ТОЛ | 12 | ДБ | |||
| Толерантность | ||||||
Средняя пусковая мощность ВЫКЛ передатчика, каждая полоса | Пофф | -30 | ДБм | |||
| Закругленный поток | ≥ 86% при 19 мкм | |||||
| ≤ 30% при 4,5 мкм | ||||||
| Приемник | ||||||
| Длина волны центра | ΛC | 840 | 850 | 860 | Нм | |
| Тариф данных, каждая майна | 26,5625 ± 100 ппм | ГБД | ||||
| Формат модуляции | ПАМ 4 | |||||
| Порог повреждения, каждая полоса | THD | 5 | ДБм | 3 | ||
| Средняя мощность приема, каждый | -7,9 | 4 | ДБм | 4 | ||
| Лейн | ||||||
Получите мощность (OMAouter), каждая полоса | 3 | ДБм | ||||
| Чувствительность приемника | SEN | -6,5 | ДБм | 5 | ||
| (OMAouter), каждая полоса | ||||||
| Подчеркнутая чувствительность приемника | SRS | -3 | ДБм | 6 | ||
| (OMAouter), каждая полоса | ||||||
| Отражение приемника | РР | − 12 | ДБ | |||
| ЛОС Ассерт | ЛОСА | -30 | ДБм | |||
| ЛОС Де-утверждает | Losd | − 12 | ДБм | |||
| ЛОС Гистерезис | Losh | 0,5 | ДБ | |||
Стресс условия для стресса Чувствительность приемника (Примечание 7) | ||||||
Напряжение закрытия глаз для PAM4 (SECQ), испытываемая полоса | 4 | ДБ | ||||
| OMAouter каждой полосы агрессора | 3 | ДБм | ||||
Примечания:
1. Средняя пусковая мощность, каждая полоса (мин.) является информативной, а не основным показателем мощности сигнала.
Передатчик с пусковой мощностью ниже этого значения не может быть совместимым; однако,
Значение выше этого не гарантирует соответствие.
2. Даже если TDECQ < 1 дБ, значение OMAouter (мин.) должно превышать минимальное значение, указанное здесь.
3. Приемник должен выдерживать без повреждений непрерывное воздействие оптического входного сигнала, имеющего этот средний уровень мощности.
4. Средняя мощность приема, каждая полоса (мин.) является информативной, а не основным показателем мощности сигнала. Полученная мощность ниже этого значения не может быть совместимой;
Однако значение выше этого не гарантирует соответствия.
5. Чувствительность приемника OMAouter, каждая полоса (макс.) является информативной и определена для BER 2,4x10-4.
6. Измеряется с помощью тестового сигнала соответствия на входе приемника для BER 2,4x10-4.
7. Эти условия испытаний предназначены для измерения чувствительности приемника под напряжением. Они не являются характеристиками приемника.
Функции цифров диагностические
Следующие цифровые диагностические характеристики определены для нормальных условий эксплуатации, если не указано иное.
| Параметр | Символ | Мин | Макс | Единицы | Примечания |
Температурные мониторы Абсолютная погрешность | Над диапазоном рабочих температур | ||||
| ДМИ_Темп | -3 | 3 | Degc | ||
| Монитор напряжения питания | DMI _ VCC | -0,1 | 0,1 | V | Более полной эксплуатации |
| Абсолютная погрешность | Диапазон | ||||
Монитор мощности канала RX Абсолютная погрешность | |||||
| ДМИ_РХ_Ч | -2 | 2 | ДБ | 1 | |
| Ток смещения канала | ДМИ_Ибиас_Ч | -10% | 10% | МА | |
| Монитор | |||||
| Мощность канала TX | ДМИ_ТХ_Ч | -2 | 2 | ДБ | 1 |
| Абсолютная погрешность монитора |
Примечания:
1. Из-за точности измерения различных волокон могут быть дополнительные колебания +/-1 дБ или общая точность +/- 3 дБ.
Контура чертежа (мм)

Применения
● Интерконнект центра обработки данных
● 400G Ethernet
● Межсоединения InfiniBand
● Корпоративная сеть
| Date | Version | Description | Download | ||
| 2025-03-17 | Спецификация _ 400G QSFP-DD SR8 850 нм 100 м _ LA-OT-400G-SR8 | ||||
Подпишитесь сейчас, вы можете получить более 100 ценных ресурсов и белой бумаги.
Следуйте за нами, также можете получать последние продукты и отраслевую информацию в электронных письмах наших членов.Узнать подробности >>>
Позвоните нам на:
Напишите нам:
2106B, № 3D, Облако Парк Фаза 1, Bantian, Лунган, Шэньчжень, 518129, P.R.C.