Этот продукт представляет собой четырехъядерный оптический модуль с малым форм-фактором 400 Гбит/с, предназначенный для приложений оптической связи длиной 10 км.
Этот продукт представляет собой четырехъядерный оптический модуль с малым форм-фактором 400 Гбит/с, предназначенный для приложений оптической связи длиной 10 км. Модуль преобразует 8 каналов электрических входных данных 50 Гбит/с (PAM4) в 4 канала оптических сигналов CWDM и мультиплексирует их в один канал для оптической передачи 400 Гбит/с. Обратно, на стороне приемника, модуль оптически де-мультиплексирует оптически входной сигнал 400 Гбит/с в 4 канала сигналов КВДМ оптически, и преобразовывает их к 8 каналам данных по электрического выхода 50 Гб/с (ПАМ 4).
Центральные длины волн 4 каналов CWDM составляют 1271, 1291, 1311 и 1331 нм как члены сетки длин волн CWDM, определенной в ITU-T G.694.2. Он содержит двухшпиндельный разъем LC для оптического интерфейса и 76-контактный разъем для электрического интерфейса. Для того чтобы уменьшить оптически рассеивание в системе дальнего следования, одномодовое волокно (SMF) должно быть приложено в этом модуле. Необходим, что поддерживает FEC хозяина передачу волокна до 10km.
Он разработан с форм-фактором, оптическим/электрическим соединением и цифровым диагностическим интерфейсом в соответствии с Соглашением Multi-Source (MSA) Type 2. Он был разработан для самых жестких внешних условий эксплуатации, включая температуру, влажность и помехи электромагнитных помех.
Функциональное описание
Модуль включает 4 независимых канала на длине волны центра КВДМ 4 1271/1291/1311/1331нм, работая на 100Г в канал. Путь передатчика включает в себя четырехканальный драйвер EML и лазеры EML вместе с оптическим мультиплексором. На пути приемника оптический де-мультиплексор соединен с 4-канальным фотодиодным массивом. Основа DSP Коробка переменных передач используется для преобразования 8 каналов сигналов PAM4 25 ГБ в 4 канала сигналов PAM4 по 50 ГБ, а также в этот DSP интегрированы 8-канальный ретромер и блок FEC. Электрический интерфейс совместим с IEEE 802.3bs и QSFP-DD MSA в направлениях передачи и приема, а оптический интерфейс совместим с IEEE 802.3bs с дуплексным разъемом LC.
Для питания этого продукта требуется один источник питания 3,3 В. Все контакты источника питания подключены внутри и должны применяться одновременно. В соответствии со спецификациями MSA модуль предлагает семь низкоскоростных аппаратных контактов управления (включая двухпроводный последовательный интерфейс): ModSelL, SCL, SDA, ResetL, InitMode, ModPrsL и IntL.
Выбор модуля (ModSelL)-входной контакт. Когда хост удерживается на низком уровне, этот продукт реагирует на команды 2-проводной последовательной связи. ModSelL позволяет использовать этот продукт на одной двухпроводной интерфейсной шине-необходимо использовать отдельные линии ModSelL. Последовательные часы (SCL) и последовательные данные (SDA) необходимы для 2-проводного интерфейса связи последовательной шины и позволяют хосту получить доступ к карте памяти.
Вывод ResetL обеспечивает полный сброс, возвращая настройки в состояние по умолчанию, когда низкий уровень на контакте ResetL удерживается дольше, чем минимальная длина импульса. Во время выполнения сброса хост должен игнорировать все биты состояния до тех пор, пока он не покажет завершение прерывания сброса. Продукт указывает на это, отправляя сигнал IntL (прерывание) с битом Data_Not_Ready, отрицающимся в карте памяти. Обратите внимание, что при включении питания (включая горячий ион) модуль должен опубликовать это завершение прерывания сброса, не требуя сброса.
Режим инициализации (InitMode)-это входной сигнал. В модуле QSFP-DD он подтягивается до Vcc. Сигнал InitMode позволяет хосту определить, будет ли модуль инициализироваться под управлением программного обеспечения хоста (InitMode утверждает высокий уровень) или аппаратным управлением модуля (InitMode отрицает низкий уровень). Под управлением основного программного обеспечения модуль должен оставаться в режиме низкого энергопотребления до тех пор, пока программное обеспечение не обеспечит переход в режим высокой мощности, как определено в спецификации интерфейса управления QSFP-DD. Под аппаратным управлением (InitMode de-absurved Low) модуль может сразу же перейти в режим высокой мощности после инициализации интерфейса управления. Хост не должен изменять состояние этого сигнала при наличии модуля. В устаревших приложениях QSFP этот сигнал называется LPMode. См. SFF-8679 для сигнала LPMode.
Module Present (ModPrsL)-это локальный сигнал для платы хоста, который в отсутствие продукта обычно подается к Vcc хоста. Когда продукт вставляется в разъем, он завершает путь к земле через резистор на плате хоста и утверждает сигнал. Затем ModPrsL указывает на его наличие, установив ModPrsL в состояние «Низкое».
Прерывание (IntL)-выходной вывод. «Низкий» указывает на возможную эксплуатационную неисправность или критическое состояние для хост-системы. Хост определяет источник прерывания с помощью двухпроводного последовательного интерфейса. Вывод IntL является выходом с открытым коллектором и должен быть подтянутым к напряжению Vcc хоста на плате хоста.
Особенности
● 4 полосы CWDM MUX/DEMUX дизайн
● Соответствие спецификации 100G Lambda MSA 400G-LR4.
● До передачи 10км на волокне (SMF) одиночного режима с ФЭК
● Рабочая температура корпуса: от 0 до 70 ℃.
● Электрический интерфейс 8x53,125 Гбит/с (400GAUI-8)
● Скорость передачи данных 106,25 Гбит/с (PAM4) на канал.
● Максимальная потребляемая мощность 12 Вт • Дуплексный разъем LC
● Соответствие RoHS
Блок схемы приемопередатчика

Рисунок 1. Блок-схема приемопередатчика
Назначение и описание контактов
Электрическая распиновка модуля QSFP-DD показана на рисунке 2 ниже.
Рисунок 2. Соединитель, совместимый с MSA
Определение штифта
Пин # | Логика | Символ | Deion | Последовательность штекера |
1 | Земля | Земля | 1B | |
2 | CML-I | Тх2н | Передатчик Инвертированный ввод данных | 3Б |
3 | CML-I | ТХ2П | Не-перевернутый ввод данных передатчика | 3Б |
4 | Земля | Земля | 1B | |
5 | CML-I | Тх4н | Передатчик Инвертированный ввод данных | 3Б |
6 | CML-I | ТХ4П | Не-перевернутый ввод данных передатчика | 3Б |
7 | Земля | Земля | 1B | |
8 | LVTTL-I | Модселл | Выбор модуля | 3Б |
9 | LVTTL-I | Сброс | Сброс модуля | 3Б |
10 | Vccrx | Приемник источника питания 3,3 В | 2B | |
11 | LVCMOS-I/O | СКЛ | 2-проводные часы последовательного интерфейса | 3Б |
12 | LVCMOS-I/O | ПДД | Данные 2-проводного последовательного интерфейса | 3Б |
13 | Земля | Земля | 1B | |
14 | CML-O | Рх3п | Не-инвертированный вывод данных приемника | 3Б |
15 | CML-O | Ркс3н | Перевернутый вывод данных приемника | 3Б |
16 | Земля | Земля | 1B | |
17 | CML-O | Рк1п | Не-инвертированный вывод данных приемника | 3Б |
18 | CML-O | Рк1н | Перевернутый вывод данных приемника | 3Б |
19 | Земля | Земля | 1B | |
20 | Земля | Земля | 1B | |
21 | CML-O | Ркс2н | Перевернутый вывод данных приемника | 3Б |
22 | CML-O | Рх2п | Не-инвертированный вывод данных приемника | 3Б |
23 | Земля | Земля | 1B | |
24 | CML-O | Ркс4н | Перевернутый вывод данных приемника | 3Б |
25 | CML-O | Рх4п | Не-инвертированный вывод данных приемника | 3Б |
26 | Земля | Земля | 1B | |
27 | LVTTL-O | МодпрсЛ | Модуль присутствует | 3Б |
28 | LVTTL-O | Международный | Прерывание | 3Б |
29 | Vcctx | Передатчик питания 3,3 В | 2B | |
30 | VCC1 | Источник питания 3,3 В | 2B | |
31 | LVTTL-I | InitMode | Режим инициализации; В устаревших приложениях QSFP, InitMode Планшет называется LPMODE | 3Б |
32 | Земля | Земля | 1B | |
33 | CML-I | ТХ3П | Не-перевернутый ввод данных передатчика | 3Б |
34 | CML-I | Тх3н | Передатчик Инвертированный ввод данных | 3Б |
35 | Земля | Земля | 1B | |
36 | CML-I | ТХ1П | Не-перевернутый ввод данных передатчика | 3Б |
37 | CML-I | Ткс1н | Передатчик Инвертированный ввод данных | 3Б |
38 | Земля | Земля | 1B | |
39 | Земля | Земля | 1А | |
40 | CML-I | TX6N | Передатчик Инвертированный ввод данных | 3А |
41 | CML-I | ТХ6П | Не-перевернутый ввод данных передатчика | 3А |
42 | Земля | Земля | 1А | |
43 | CML-I | Tx8n | Передатчик Инвертированный ввод данных | 3А |
44 | CML-I | TX8P | Не-перевернутый ввод данных передатчика | 3А |
45 | Земля | Земля | 1А | |
46 | Зарезервировано | Для будущего использования | 3А | |
47 | ВС1 | Модуль Поставщик Специфический 1 | 3А | |
48 | Vccrx1 | Источник питания 3,3 В | 2А | |
49 | VS2 | Модуль конкретного поставщика 2 | 3А | |
50 | VS3 | Модуль конкретного поставщика 3 | 3А | |
51 | Земля | Земля | 1А | |
52 | CML-O | Рх7п | Не-инвертированный вывод данных приемника | 3А |
53 | CML-O | Ркс7н | Перевернутый вывод данных приемника | 3А |
54 | Земля | Земля | 1А | |
55 | CML-O | Рх5п | Не-инвертированный вывод данных приемника | 3А |
56 | CML-O | Рк5н | Перевернутый вывод данных приемника | 3А |
57 | Земля | Земля | 1А | |
58 | Земля | Земля | 1А | |
59 | CML-O | Ркс6н | Перевернутый вывод данных приемника | 3А |
60 | CML-O | Рх6п | Не-инвертированный вывод данных приемника | 3А |
61 | Земля | Земля | 1А | |
62 | CML-O | Рх8н | Перевернутый вывод данных приемника | 3А |
63 | CML-O | Рх8п | Не-инвертированный вывод данных приемника | 3А |
64 | Земля | Земля | 1А | |
65 | НК | Нет подключения | 3А | |
66 | Зарезервировано | Для будущего использования | 3А | |
67 | Vcctx1 | Источник питания 3,3 В | 2А | |
68 | VCC2 | Источник питания 3,3 В | 2А | |
69 | Зарезервировано | Для будущего использования | 3А | |
70 | Земля | Земля | 1А | |
71 | CML-I | TX7P | Не-перевернутый ввод данных передатчика | 3А |
72 | CML-I | Tx7n | Передатчик Инвертированный ввод данных | 3А |
73 | Земля | Земля | 1А | |
74 | CML-I | ТХ5П | Не-перевернутый ввод данных передатчика | 3А |
75 | CML-I | Tx5n | Передатчик Инвертированный ввод данных | 3А |
76 | Земля | Земля | 1А |
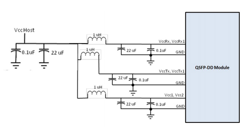
Рекомендуемый фильтр питания

Рисунок 3. Рекомендуемый фильтр питания
Абсолютные максимальные рейтинги
Следует отметить, что работа, превышающая любые индивидуальные абсолютные максимальные оценки, может привести к необратимому повреждению этого модуля.
Параметр | Символ | Мин | Макс | Единицы | Примечание |
Температура хранения | ТС | -40 | 85 | Degc | |
Рабочая температура корпуса | ТОП | 0 | 70 | Degc | |
Напряжение питания | VCC | -0,5 | 3,6 | V | |
Относительная влажность (Без конденсации) | Правый | 0 | 85 | % | |
Порог повреждения, каждая полоса | THD | 5 | ДБм |
Рекомендуемые условия эксплуатации и требования к электропитанию
Параметр | Символ | Мин | Типичные | Макс | Единицы | Примечания |
Рабочая температура корпуса | ТОП | 0 | 70 | Degc | ||
Напряжение питания | VCC | 3135 | 3,3 | 3465 | V | |
Тариф данных, каждая майна | 26,5625 | ГБД | ПАМ 4 | |||
Точность тарифа данных | -100 | 100 | Промилле | |||
Коэффициент ошибки бита Пре-ФЭК | 0 | 2,4x10-4 | ||||
Коэффициент ошибки бита Пост-ФЭК | 0002 | 1x10-12 | К | 1 | ||
Расстояние соединения | Д | 0002 | 10 | КМ | 2 |
Примечания:
1. FEC предоставляется хост-системой.
2. FEC требуется в хост-системе для поддержки максимального расстояния.
Электрические характеристики
Следующие электрические характеристики определены в Рекомендуемой рабочей среде, если не указано иное.
Параметр | Точка тестирования | Мин | Типичные | Макс | Единицы | Примечания |
Потребляемая мощность | 12 | Вт | ||||
Ток поставки | МКК | 3,64 | А | |||
Передатчик (каждая полоса) | ||||||
Скорость сигнализации, Каждая полоса | ТР1 | 26,5625 ± 100 ппм | ГБД | |||
Дифференциальный pk-pk Допуск входного напряжения | ТП1а | 900 | Мвпп | 1 | ||
Дифференциальный Прекращение Несоответствие | ТР1 | 10 | % | |||
Дифференциальный Ввод Возвращение Потери | ТР1 | IEEE 802,3- 2015 Уравнение (83E-5) | ДБ | |||
Дифференциал к Общие Вход режима Возвращенная потеря | ТР1 | IEEE 802,3- 2015 Уравнение (83E-6) | ДБ | |||
Модуль подчеркнул Входной тест | ТП1а | Смотрите IEEE 802.3bs 120E.3.4.1 | 2 | |||
Одно-законченный Допуск напряжения Диапазон (мин) | ТП1а | От-0,4 до 3,3 | V | |||
Общий постоянный ток Вход режима Напряжение | ТР1 | -350 | 2850 | МВ | 3 | |
Приемник (Каждая полоса) | ||||||
Скорость сигнализации, Каждая полоса | ТР4 | 26,5625 ± 100 ппм | ГБД | |||
Дифференциальный Пик-пик Вывод Напряжение | ТР4 | 900 | Мвпп | |||
Общий переменный ток Режим вывода Напряжение, RMS | ТР4 | 17,5 | МВ | |||
Дифференциальный Прекращение Несоответствие | ТР4 | 10 | % | |||
Дифференциальный Вывод Возвращение Потери | ТР4 | IEEE 802,3- 2015 Уравнение (83E-2) | ||||
Общие Для Дифференциальный Режим Преобразование Возвращение Потери | ТР4 | IEEE 802,3- 2015 Уравнение (83E-3) | ||||
Переход Время, 20% Для 80% | ТР4 | 9,5 | ПС | |||
Близко-конец Глаз Симметрия Маска Ширина (ЭСМВ) | ТР4 | 0265 | Пользовательский интерфейс | |||
Близко-конец Глаз Высота, Дифференциальный | ТР4 | 70 | МВ | |||
Far-end Глаз Симметрия Маска Ширина (ЭСМВ) | ТР4 | 0,2 | Пользовательский интерфейс | |||
Far-end Глаз Высота, Дифференциальный | ТР4 | 30 | МВ | |||
Far-end Пре-курсор Коэффициент ISI | ТР4 | -4,5 | 2,5 | % | ||
Общие Режим Вывод Напряжение (Vcm) | ТР4 | -350 | 2850 | МВ | 3 | |
Примечания:
1. За исключением IEEE 802.3bs 120E.3.1.2, шаблон PRBS31Q или скремблированный в режиме ожидания.
2. Соответствует BER, указанной в IEEE 802.3bs 120E.1.1.
3. Синфазное напряжение постоянного тока, генерируемое хостом. Спецификация включает эффекты напряжения смещения заземления.
Оптические характеристики
Параметр | Символ | Мин | Типичные | Макс | Единица | Примечания |
Длина волны Назначение | L0 | 1264,5 | 1271 | 1277,5 | Нм | |
L1 | 1284,5 | 1291 | 1297,5 | Нм | ||
L2 | 1304,5 | 1311 | 1317,5 | Нм | ||
L3 | 1324,5 | 1331 | 1337,5 | Нм | ||
Передатчик | ||||||
Скорость передачи данных, Каждая полоса | 53125 ± 100 ппм | GBD | ||||
Модуляция Формат | ПАМ 4 | |||||
Боковой режим Коэффициент подавления | СМСР | 30 | ДБ | |||
Общая средняя Мощность запуска | ПТ | 10,0 | ДБм | |||
Средний запуск Мощность, Каждая полоса | ПАВГ | -2,8 | 4,0 | ДБм | 1 | |
Внешний оптический Амплитуда модуляции (OMAouter), Каждая полоса | Пома | 0,2 | 4,2 | ДБм | 2 | |
Мощность запуска в Омутер минус TDECQ), каждая полоса Для ER ≥ 4,5 дБ Для ER <4,5 дБ | -1,2 -1,1 | ДБ | ||||
Передатчик и Дисперсия глаз Закрытие для PAM4, Каждая полоса | Tdecq | 3,9 | ДБ | |||
TDECQ - 10 * log10 (Сек), Каждая полоса | 3,9 | ДБ | 3 | |||
Коэффициент вымираания | ER | 3,5 | ДБ | |||
Разница в Мощность запуска Между любыми Две полосы (OMAouter) | 4 | ДБ | ||||
RIN15.6OMA | РИН | − 136 | ДБ/Гц | |||
Оптический возврат Допуск потери | ТОЛ | 15,6 | ДБ | |||
Отражение передатчика | РТ | − 26 | ДБ | |||
Передатчик Переход Время | 17 | ПС | ||||
Средний запуск Мощность ВЫКЛ Передатчик, Каждая полоса | Пофф | − 20 | ДБм | |||
Приемник | ||||||
Тариф данных, каждая майна | 53125 ± 100 ппм | GBD | ||||
Формат модуляции | ПАМ 4 | |||||
Порог повреждения, Каждая полоса | THD | 5,0 | ДБм | 4 | ||
Средний Получить Мощность, каждая полоса | -9,1 | 4,0 | ДБм | 5 | ||
Получите мощность (OMAouter), Каждая полоса | 4,2 | ДБм | ||||
Разница в Мощность приемника Между любыми Две полосы (ОМАоутер) | 4,6 | ДБ | ||||
Чувствительность приемника (OMAouter), Каждая полоса | SEN | Уравнение (1) | ДБм | 6 | ||
Стрессанный приемник Чувствительность (OMAouter), Каждая полоса | SRS | -4,1 | ДБм | 7 | ||
Отражение приемника | РР | − 26 | ДБ | |||
ЛОС Ассерт | ЛОСА | − 20 | ДБм | |||
ЛОС Де-утверждает | Losd | -12,1 | ДБм | |||
ЛОС Гистерезис | Losh | 0,5 | ДБ | |||
Стрессные условия Для стресса Чувствительность приемника (Примечание 8) | ||||||
Подчеркненный глаз Закрытие для ПАМ4 (СЕКВ), Лейн в тесте | 3,9 | ДБ | ||||
SECQ - 10 * log10 (Сек), Лейн в тесте | 3,9 | ДБ | ||||
Омутер Каждая полоса агрессора | 0,5 | ДБм | ||||
Примечания:
1. Средняя пусковая мощность, каждая полоса (мин.) является информативной, а не основным показателем мощности сигнала. Передатчик с пусковой мощностью ниже этого значения не может быть совместимым; однако значение выше этого значения не гарантирует соответствия.
2. Даже если TDECQ <1,4 дБ для коэффициента экстинкции ≥ 4,5 дБ или TDECQ <1,3 дБ для коэффициента экстинкции <4,5 дБ, OMAouter (мин.) должен превышать минимальное значение, указанное здесь.
3. Ceq-коэффициент, определенный в пункте 121.8.5.3 IEEE Std 802,3-2018, который учитывает повышение шума эталонного эквалайзера.
4. Средняя мощность приема, каждая полоса (мин.) является информативной, а не основным показателем мощности сигнала. Полученная мощность ниже этого значения не может быть совместимой; однако значение выше этого не гарантирует соответствия.
5. Приемник должен выдерживать без повреждений непрерывное воздействие модулированного оптического входного сигнала, имеющего такой уровень мощности, на одной полосе. Приемник не должен правильно работать при этой входной мощности.
6. Чувствительность приемника (OMAouter), каждая полоса (max) является информативной и определяется для передатчика со значением SECQ до 3, 4 дБ. Она должна соответствовать уравнению (1), которое показано на рисунке 4.
RS = макс (− 6,6, SECQ− 8,0) дБм
Где:
RS-чувствительность приемника, и
SECQ-это SECQ передатчика, используемый для измерения чувствительности приемника.
7. Измеряется с сигналом проверки соответствия на TP3 для BER, равным 2,0x10-4.
8. Эти условия испытаний предназначены для измерения чувствительности приемника под напряжением. Они не являются характеристиками приемника.
Рисунок 4. Иллюстрация маски чувствительности приемника для 400G-LR4
Функции цифров диагностические
Следующие цифровые диагностические характеристики определены для нормальных условий эксплуатации, если не указано иное.
Параметр | Символ | Мин | Макс | Единицы | Примечания |
Температурный монитор Абсолютная погрешность | ДМИ_Темп | -3 | + 3 | Degc | Над диапазоном рабочих температур |
Напряжение питания Абсолютная погрешность монитора | DMI _ VCC | -0,1 | 0,1 | V | Более полного рабочего диапазона |
Мощность канала RX Абсолютная погрешность монитора | ДМИ_РХ_Ч | -2 | 2 | ДБ | 1 |
Уклон канала Текущий монитор | ДМИ_Ибиас_Ч | -10% | 10% | МА | |
Мощность канала TX Абсолютная погрешность монитора | ДМИ_ТХ_Ч | -2 | 2 | ДБ | 1 |
Примечания:
1. Из-за точности измерения различных одномодовых волокон могут быть дополнительные колебания +/-1 дБ или общая точность +/- 3 дБ.
Контура чертежа (мм)
Рисунок 5. Механический контура
Антистатический
Этот приемопередатчик указан как порог ESD 1 кВ для высокоскоростных контактов данных и 2 кВ для всех других электрических входных контактов, протестированных на MIL-STD-883, метод 3015,4/JESD22-A114-A (HBM). Однако, нормальные меры предосторожности ЭСД все еще необходимы во время регуляции этого модуля. Этот трансивер поставляется в защитной упаковке от электростатического разряда. Он должен быть удален из упаковки и обработан только в защищенной от электростатического разряда среде.
Безопасность лазера
Это лазерный продукт класса 1 в соответствии с EN 60825-1:2014. Продукт соответствует требованиям 21 CFR 1040,10 и 1040,11, за исключением отклонений в соответствии с Лазерным уведомлением № 50 от 24 июня 2007 года.
Предупреждение: использование средств управления или корректировок или выполнение процедур, отличных от указанных в настоящем документе, может привести к опасному радиационному облучению.
Применение
● 400G Ethernet
● Интерконнект центра обработки данных
● Интерсоединения Infinib
● Корпоративная сеть Датасентер
| Date | Version | Description | Download | ||
| 2025-03-17 | Спецификация _ 400G QSFP-DD LR4 1310nm 10km_LA-OT-400G-LR4_V2.X | ||||
Подпишитесь сейчас, вы можете получить более 100 ценных ресурсов и белой бумаги.
Следуйте за нами, также можете получать последние продукты и отраслевую информацию в электронных письмах наших членов.Узнать подробности >>>
Позвоните нам на:
Напишите нам:
2106B, № 3D, Облако Парк Фаза 1, Bantian, Лунган, Шэньчжень, 518129, P.R.C.