Этот продукт представляет собой четырехъядерный оптический модуль с малым форм-фактором 400 Гбит/с, предназначенный для приложений оптической связи длиной 2 км.
Этот продукт представляет собой четырехъядерный оптический модуль с малым форм-фактором 400 Гбит/с, предназначенный для приложений оптической связи длиной 2 км. Модуль преобразует 8 каналов электрических входных данных 50 Гбит/с (PAM4) в 4 канала оптических сигналов CWDM и мультиплексирует их в один канал для оптической передачи 400 Гбит/с. Обратно, на стороне приемника, модуль оптически де-мультиплексирует оптически входной сигнал 400 Гбит/с в 4 канала сигналов КВДМ оптически, и преобразовывает их к 8 каналам данных по электрического выхода 50 Гб/с (ПАМ 4). Центральные длины волн 4 каналов CWDM составляют 1271, 1291, 1311 и 1331 нм как члены сетки длин волн CWDM, определенной в ITU-T G.694.2. Он содержит двухшпиндельный разъем LC для оптического интерфейса и 76-контактный разъем для электрического интерфейса. Для того чтобы уменьшить оптически рассеивание в системе дальнего следования, одномодовое волокно (SMF) должно быть приложено в этом модуле. Необходим, что поддерживает FEC хозяина передачу волокна до 2km. Продукт конструирован с форм-фактором, оптически/электрическим соединением и цифровым диагностическим интерфейсом согласно типу 2 Соглашения Multi-Source (MSA) QSFP-DD. Он был разработан для работы в самых суровых внешних условиях эксплуатации, включая температуру, влажность и электромагнитные помехи.
Особенности
● QSFP-DD Соответствие требованиям MSA
● 4 полосы CWDM MUX/DEMUX дизайн
● 100G Lambda MSA 400G-FR4 Соответствие спецификации
● До передачи 2km на волокне (SMF) одиночного режима с FEC
● Рабочая температура корпуса: от 0 до 70oC.
● Электрический интерфейс 8x53,125 Гбит/с (400GAUI-8)
● Скорость передачи данных 106,25 Гбит/с (PAM4) на канал.
● Максимальная потребляемая мощность 12 Вт.
● Двухшпиндельный разъем LC
● Соответствие RoHS
Блок схемы приемопередатчика

Рисунок 1. Блок-схема приемопередатчика
Назначение контактов и Deion
Электрическая распиновка модуля QSFP-DD показана на рисунке 2 ниже.

Рисунок 2. Соединитель, совместимый с MSA
Определение штифта
Пин | Логика | Символ | Deion | Последовательность штекера | Примечания |
1 | Земля | Земля | 1B | 1 | |
2 | CML-I | Тх2н | Передатчик Инвертированный ввод данных | 3Б | |
3 | CML-I | ТХ2П | Не-инвертированные данные передатчика Ввод | 3Б | |
4 | Земля | Земля | 1B | 1 | |
5 | CML-I | Тх4н | Передатчик Инвертированный ввод данных | 3Б | |
6 | CML-I | ТХ4П | Не-перевернутый ввод данных передатчика | 3Б | |
7 | Земля | Земля | 1B | 1 | |
8 | LVTTL-I | Модселл | Выбор модуля | 3Б | |
9 | LVTTL-I | Сброс | Сброс модуля | 3Б | |
10 | Vccrx | Приемник источника питания 3,3 В | 2B | 2 | |
11 | LVCMOS- Ввод/вывод | СКЛ | 2-проводные часы последовательного интерфейса | 3Б | |
12 | LVCMOS- Ввод/вывод | ПДД | Данные 2-проводного последовательного интерфейса | 3Б | |
13 | Земля | Земля | 1B | 1 | |
14 | CML-O | Рх3п | Не-инвертированный вывод данных приемника | 3Б | |
15 | CML-O | Ркс3н | Перевернутый вывод данных приемника | 3Б | |
16 | Земля | Земля | 1B | 1 | |
17 | CML-O | Рк1п | Не-инвертированный вывод данных приемника | 3Б | |
18 | CML-O | Рк1н | Перевернутый вывод данных приемника | 3Б | |
19 | Земля | Земля | 1B | 1 | |
20 | Земля | Земля | 1B | 1 | |
21 | CML-O | Ркс2н | Перевернутый вывод данных приемника | 3Б | |
22 | CML-O | Рх2п | Не-инвертированный вывод данных приемника | 3Б | |
23 | Земля | Земля | 1B | 1 | |
24 | CML-O | Ркс4н | Перевернутый вывод данных приемника | 3Б | |
25 | CML-O | Рх4п | Не-инвертированный вывод данных приемника | 3Б | |
26 | Земля | Земля | 1B | 1 | |
27 | LVTTL-O | МодпрсЛ | Модуль присутствует | 3Б | |
28 | LVTTL-O | Международный | Прерывание | 3Б | |
29 | Vcctx | Передатчик питания 3,3 В | 2B | 2 | |
30 | VCC1 | Источник питания 3,3 В | 2B | 2 | |
31 | LVTTL-I | InitMode | Режим инициализации; В устаревших QSFP Приложений, панель InitMode называется LPMODE | 3Б | |
32 | Земля | Земля | 1B | 1 | |
33 | CML-I | ТХ3П | Не-инвертированные данные передатчика Ввод | 3Б | |
34 | CML-I | Тх3н | Передатчик Инвертированный ввод данных | 3Б | |
35 | Земля | Земля | 1B | 1 | |
36 | CML-I | ТХ1П | Не-инвертированные данные передатчика Ввод | 3Б | |
37 | CML-I | Ткс1н | Передатчик Инвертированный ввод данных | 3Б | |
38 | Земля | Земля | 1B | 1 | |
39 | Земля | Земля | 1А | 1 | |
40 | CML-I | TX6N | Передатчик Инвертированный ввод данных | 3А | |
41 | CML-I | ТХ6П | Не-инвертированные данные передатчика Ввод | 3А | |
42 | Земля | Земля | 1А | 1 | |
43 | CML-I | Tx8n | Передатчик Инвертированный ввод данных | 3А | |
44 | CML-I | TX8P | Не-инвертированные данные передатчика Ввод | 3А | |
45 | Земля | Земля | 1А | 1 | |
46 | Зарезервировано | Для будущего использования | 3А | 3 | |
47 | ВС1 | Модуль Поставщик Специфический 1 | 3А | 3 | |
48 | Vccrx1 | Источник питания 3,3 В | 2А | 2 | |
49 | VS2 | Модуль конкретного поставщика 2 | 3А | 3 | |
50 | VS3 | Модуль конкретного поставщика 3 | 3А | 3 | |
51 | Земля | Земля | 1А | 1 | |
52 | CML-O | Рх7п | Не-инвертированный вывод данных приемника | 3А | |
53 | CML-O | Ркс7н | Перевернутый вывод данных приемника | 3А | |
54 | Земля | Земля | 1А | 1 | |
55 | CML-O | Рх5п | Не-инвертированный вывод данных приемника | 3А | |
56 | CML-O | Рк5н | Перевернутый вывод данных приемника | 3А | |
57 | Земля | Земля | 1А | 1 | |
58 | Земля | Земля | 1А | 1 | |
59 | CML-O | Ркс6н | Перевернутый вывод данных приемника | 3А | |
60 | CML-O | Рх6п | Не-инвертированный вывод данных приемника | 3А | |
61 | Земля | Земля | 1А | 1 | |
62 | CML-O | Рх8н | Перевернутый вывод данных приемника | 3А | |
63 | CML-O | Рх8п | Не-инвертированный вывод данных приемника | 3А | |
64 | Земля | Земля | 1А | 1 | |
65 | НК | Нет подключения | 3А | 3 | |
66 | Зарезервировано | Для будущего использования | 3А | 3 | |
67 | Vcctx1 | Источник питания 3,3 В | 2А | 2 | |
68 | VCC2 | Источник питания 3,3 В | 2А | 2 | |
69 | Зарезервировано | Для будущего использования | 3А | 3 | |
70 | Земля | Земля | 1А | 1 | |
71 | CML-I | TX7P | Не-перевернутый ввод данных передатчика | 3А | |
72 | CML-I | Tx7n | Передатчик Инвертированный ввод данных | 3А | |
73 | Земля | Земля | 1А | 1 | |
74 | CML-I | ТХ5П | Не-перевернутый ввод данных передатчика | 3А | |
75 | CML-I | Tx5n | Передатчик Инвертированный ввод данных | 3А | |
76 | Земля | Земля | 1А | 1 |
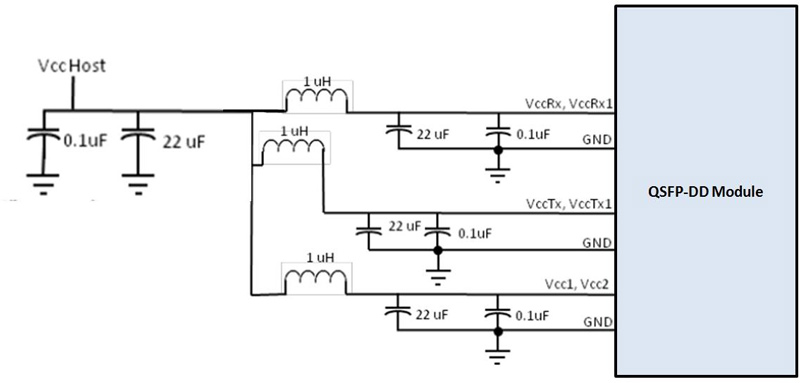
Рекомендуемый фильтр питания
Рисунок 3. Рекомендуемый фильтр питания
Абсолютные максимальные рейтинги
Следует отметить, что работа, превышающая любые индивидуальные абсолютные максимальные оценки, может привести к необратимому повреждению этого модуля.
Рекомендуемые условия эксплуатации и требования к электропитанию
Параметр | Символ | Мин | Типичные | Макс | Единицы | Примечания |
Операционный случай Температура | ТОП | 0 | 70 | Degc | ||
Электропитание Напряжение | VCC | 3135 | 3,3 | 3465 | V | |
Тариф данных, каждая майна | 26,5625 | ГБД | ПАМ 4 | |||
Точность тарифа данных | -100 | 100 | Промилле | |||
Коэффициент ошибки бита Пре-ФЭК | 2,4x10-4 | |||||
Коэффициент ошибки бита Пост-ФЭК | 1x10-12 | 1 | ||||
Расстояние соединения | Д | 0002 | 2 | Км | 2 |
Примечания:
1. FEC предоставляется хост-системой.
2. FEC требуется в хост-системе для поддержки максимального расстояния.
Электрические характеристики
Следующие электрические характеристики определены в Рекомендуемой рабочей среде, если не указано иное.
Параметр | Испытание Точка | Мин | Типичные | Макс | Единицы | Примечания | |||||||
Потребляемая мощность | 12 | Вт | |||||||||||
Ток поставки | МКК | 3,63 | А | ||||||||||
Передатчик (каждая полоса) | |||||||||||||
Сигнализируя тариф, каждая майна | ТР1 | 26,5625 ± 100 ппм | ГБД | ||||||||||
Дифференциальный Пк-пк Ввод Напряжение Толерантность | ТП1а | 900 | Мвпп | 1 | |||||||||
Дифференциальный Прекращение Несоответствие | ТР1 | 10 | % | ||||||||||
Дифференциальный Ввод Возвращение Потери | ТР1 | IEEE 802,3- 2015 Уравнение (83E-5) | ДБ | ||||||||||
Дифференциал к Общие Вход режима Возвращенная потеря | ТР1 | IEEE 802,3- 2015 Уравнение (83E-6) | ДБ | ||||||||||
Модуль Подчеркнуто Входной тест | ТП1а | Смотрите IEEE 802.3bs 120E.3.4.1 | 2 | ||||||||||
Одно-законченный Напряжение Толерантность Диапазон (мин) | ТП1а | От-0,4 до 3,3 | V | ||||||||||
Общий постоянный ток Вход режима Напряжение | ТР1 | -350 | 2850 | МВ | 3 | ||||||||
Приемник (Каждая полоса) | |||||||||||||
Скорость сигнализации, Каждая полоса | ТР4 | 26,5625 ± 100 ппм | ГБД | ||||||||||
Дифференциальный Пик-пик Вывод Напряжение | ТР4 | 900 | Мвпп | ||||||||||
Общий переменный ток Режим вывода Напряжение, RMS | ТР4 | 17,5 | МВ | ||||||||||
Дифференциальный Прекращение Несоответствие | ТР4 | 10 | % | ||||||||||
Дифференциальный Вывод Возвращенная потеря | ТР4 | IEEE 802,3- 2015 Уравнение (83E-2) | |||||||||||
Общие для Дифференциальный Преобразование режима Возвращенная потеря | ТР4 | IEEE 802,3- 2015 Уравнение (83E-3) | |||||||||||
Время перехода, От 20% до 80% | ТР4 | 9,5 | Пс | ||||||||||
Близко-конец Симметрия глаз Маска Ширина (ЭСМВ) | ТР4 | 0265 | Пользовательский интерфейс | ||||||||||
Близко-конец Высота глаз, Дифференциальный | ТР4 | 70 | МВ | ||||||||||
Far-end Симметрия глаз Маска Ширина (ЭСМВ) | ТР4 | 0,2 | Пользовательский интерфейс | ||||||||||
Far-end Высота глаз, Дифференциальный | ТР4 | 30 | МВ | ||||||||||
Far-end Пре-курсор Коэффициент ISI | ТР4 | -4,5 | 2,5 | % | |||||||||
Общие Режим вывода Напряжение (Vcm) | ТР4 | -350 | 2850 | МВ | 3 | ||||||||
Примечания:
1. За исключением IEEE 802.3bs 120E.3.1.2, шаблон PRBS31Q или скремблированный в режиме ожидания.
2. Соответствует BER, указанной в IEEE 802.3bs 120E.1.1.
3. Синфазное напряжение постоянного тока, генерируемое хостом. Спецификация включает эффекты напряжения смещения заземления.
Оптические характеристики
Параметр | Символ | Мин | Типичные | Макс | Единицы | Примечания | |||||||
Назначение длины волны | L0 | 1264,5 | 1271 | 1277,5 | Нм | ||||||||
L1 | 1284,5 | 1291 | 1297,5 | Нм | |||||||||
L2 | 1304,5 | 1311 | 1317,5 | Нм | |||||||||
L3 | 1324,5 | 1331 | 1337,5 | Нм | |||||||||
Передатчик | |||||||||||||
Тариф данных, каждая майна | 53125 ± 100 ппм | ГБД | |||||||||||
Формат модуляции | ПАМ 4 | ||||||||||||
Боковой режим Коэффициент подавления | СМСР | 30 | ДБ | ||||||||||
Общая средняя Мощность запуска | ПТ | 9,3 | ДБм | ||||||||||
Средний запуск Мощность, каждая полоса | ПАВГ | -3,3 | 3,5 | ДБм | 1 | ||||||||
Внешний оптический Модуляция Амплитуда (OMAouter), Каждая полоса | Пома | -0,3 | 3,7 | ДБм | 2 | ||||||||
Мощность запуска в Омутер минус TDECQ, каждая полоса Для ER ≥ 4,5 дБ Для ER <4,5 дБ | -1,7 -1,6 | ДБ | |||||||||||
Передатчик и Дисперсия глаз Закрытие для PAM4, Каждая полоса | Tdecq | 3,4 | ДБ | ||||||||||
TDECQ - 10 * log10 (Сек), Каждая полоса | 3,4 | ДБ | 3 | ||||||||||
Коэффициент вымираания | ER | 3,5 | ДБ | ||||||||||
Разница в Мощность запуска Между любыми Две полосы (ОМАоутер) | 4 | ДБ | |||||||||||
RIN17.1OMA | РИН | − 136 | ДБ/Гц | ||||||||||
Оптический возврат Допуск потери | ТОЛ | 17,1 | ДБ | ||||||||||
Отражение передатчика | РТ | − 26 | ДБ | ||||||||||
Переход передатчика Время | 17 | Пс | |||||||||||
Средний запуск Мощность ВЫКЛ Передатчик, Каждая полоса | Пофф | − 20 | ДБм | ||||||||||
Приемник | |||||||||||||
Скорость передачи данных, Каждая полоса | 53125 ± 100 ппм | ГБД | |||||||||||
Формат модуляции | ПАМ 4 | ||||||||||||
Порог повреждения, Каждая полоса | THD | 4,5 | ДБм | 4 | |||||||||
Средняя мощность приема, Каждая полоса | -7,3 | 3,5 | ДБм | 5 | |||||||||
Получите мощность (OMAouter), Каждая полоса | 3,7 | ДБм | |||||||||||
Разница в Мощность приемника Между любыми Две полосы (ОМАоутер) | 4,1 | ДБ | |||||||||||
Приемник Чувствительность (OMAouter), Каждая полоса | SEN | Уравнение (1) | ДБм | 6 | |||||||||
Стрессанный приемник Чувствительность (OMAouter), Каждая полоса | SRS | -2,6 | ДБм | 7 | |||||||||
Отражение приемника | РР | − 26 | ДБ | ||||||||||
ЛОС Ассерт | ЛОСА | − 20 | ДБм | ||||||||||
ЛОС Де-утверждает | Losd | -10,3 | ДБм | ||||||||||
ЛОС Гистерезис | Losh | 0,5 | ДБ | ||||||||||
Стрессные условия Для приемника стресса Чувствительность (Примечание 8) | |||||||||||||
Подчеркненный глаз Закрытие для PAM4 (СЕКВ), Лейн в тесте | 3,4 | ДБ | |||||||||||
SECQ - 10 * log10 (Сек), Лейн в тесте | 3,4 | ДБ | |||||||||||
Омутер Каждая полоса агрессора | 1,5 | ДБм | |||||||||||
Формат модуляции | ПАМ 4 | ||||||||||||
Примечания: 1. Средняя пусковая мощность, каждая полоса (мин.) является информативной, а не основным показателем мощности сигнала. Передатчик с пусковой мощностью ниже этого значения не может быть совместимым; однако значение выше этого значения не гарантирует соответствия. 2. Даже если TDECQ <1,4 дБ для коэффициента экстинкции ≥ 4,5 дБ или TDECQ <1,3 дБ для коэффициента экстинкции <4,5 дБ, OMAouter (мин.) должен превышать минимальное значение, указанное здесь. 3. Ceq-коэффициент, определенный в пункте 121.8.5.3 IEEE Std 802,3-2018, который учитывает повышение шума эталонного эквалайзера. 4. Средняя мощность приема, каждая полоса (мин.) является информативной, а не основным показателем мощности сигнала. Полученная мощность ниже этого значения не может быть совместимой; однако значение выше этого не гарантирует соответствия. 5. Приемник должен выдерживать без повреждений непрерывное воздействие оптического входного сигнала, имеющего этот средний уровень мощности. 6. Чувствительность приемника (OMAouter) является информативной и определяется для передатчика со значением SECQ до 3, 4 дБ. Чувствительность приемника должна соответствовать уравнению (1), которое показано на рисунке 4. Где: RS-чувствительность приемника, и SECQ-это SECQ передатчика, используемый для измерения чувствительности приемника. 7. Измеряется с сигналом проверки соответствия на TP3 для BER, равным 2,4x10-4. | |||||||||||||
Функции цифров диагностические
Следующие цифровые диагностические характеристики определены для нормальных условий эксплуатации, если не указано иное.
Параметр | Символ | Мин | Макс | Единицы | Примечания |
Монитор температуры Абсолютная ошибка | ДМИ_Темп | -3 | 3 | Degc | Над диапазоном рабочих температур |
Напряжение питания Монитор Абсолютная ошибка | DMI _ VCC | -0,1 | 0,1 | V | Более полной эксплуатации Диапазон |
Канал RX Монитор мощности Абсолютная ошибка | ДМИ_РХ_Ч | -2 | 2 | ДБ | 1 |
Ток смещения канала Монитор | ДМИ_Ибиас_Ч | -10% | 10% | МА | |
Канал TX Монитор мощности Абсолютная ошибка | ДМИ_ТХ_Ч | -2 | 2 | ДБ | 1 |
Примечания:
1. Из-за точности измерения различных одномодовых волокон могут быть дополнительные колебания +/-1 дБ или общая точность +/- 3 дБ.
Контура чертежа (мм)

Применения
● Интерконнект центра обработки данных
● 400G Ethernet
● Бесконечные межсоединения
● Корпоративная сеть
| Date | Version | Description | Download | ||
| 2025-03-17 | Спецификация _ 400G QSFP-DD FR4 1310 нм 2 км _ LA-OT-400G-FR4 | ||||
Подпишитесь сейчас, вы можете получить более 100 ценных ресурсов и белой бумаги.
Следуйте за нами, также можете получать последние продукты и отраслевую информацию в электронных письмах наших членов.Узнать подробности >>>
Позвоните нам на:
Напишите нам:
2106B, № 3D, Облако Парк Фаза 1, Bantian, Лунган, Шэньчжень, 518129, P.R.C.