Приемопередатчик 2x100GBASE-SR4 QSFPDD-это один из видов параллельного приемопередатчика, пакет массивов VCSEL и PIN-кодов является ключевым методом, через систему I2C можно связаться с модулем. Это восьмиканальный, подключаемый.
Приемопередатчик 2x100GBASE-SR4 QSFPDD-это один из видов параллельного приемопередатчика, пакет массивов VCSEL и PIN-кодов является ключевым методом, через систему I2C можно связаться с модулем. Это 8-канальная, подключаемая, параллельная, волоконно-оптическая двойная плотность QSFP для приложений 2x100 гигабитных Ethernet, высокопроизводительный модуль для передачи данных с несколькими полосами малой дальности и приложения для соединения. Он объединяет восемь полос данных в каждом направлении с полосой пропускания 8x25,78125 Гбит/с. Каждая майна может работать на 25,78125 Гбпс до 70 м используя волокно ОМ3 или 100 м используя волокно ОМ4. Эти модули предназначены для работы в многомодовых волоконных системах с номинальной длиной волны 850 нм. В электрическом интерфейсе используется разъем с 76 контактными краями. Оптически интерфейс использует 24 соединителя волокна МТП (МПО). Этот модуль включает в себя проверенную схему и технологию VCSEL для обеспечения надежной длительной жизни, высокой производительности и последовательного обслуживания.

Рисунок 1. Блок-схема модуля
Особенности
● 8-канальные полнодуплексные модули приемопередатчика.
● Скорость передачи данных до 26 Гбит/с на канал.
● 8 каналов 850nm VCSEL массив
● 8-канальный массив детектора фотографий PIN
● Внутренние цепи CDR на каналах приемника и передатчика.
● Поддержка байпаса CDR
● Низкое энергопотребление <4 Вт
● Форм-фактор QSFP DD с возможностью горячей замены
Длина связи ● максимальная 70 м на многомодовом волокне (ММФ) ОМ3 и 100 м на ОМ4 ММФ
● Штепсельная розетка разъема MPO24
● Рабочая температура корпуса от 0 ° C до 70 ° C
● Напряжение питания 3,3 В
Пин Deion




Диаграмма 2. Электрические детали Пин-вне
Пин МодСелл
ModSelL-это входной сигнал, который необходимо подать в Vcc в модуле QSFP-DD. Когда хост удерживает его на низком уровне, модуль отвечает на команды 2-проводной последовательной связи. ModSelL позволяет использовать несколько модулей QSFP-DD на одной 2-проводной интерфейсной шине. Когда ModSelL имеет значение «High», модуль не должен отвечать или подтверждать любую двухпроводную связь с хостом.
Во избежание конфликтов хост-система не должна пытаться осуществлять двухпроводную связь по интерфейсу в течение времени де-утверждения ModSelL после того, как любые QSFP-DD модули будут деянием. Аналогично, хост должен ждать, по крайней мере, в течение периода времени утверждения ModSelL, прежде чем связываться с новым модулем. Периоды утверждения и де-утверждения различных модулей могут перекрываться до тех пор, пока выполняются вышеуказанные временные требования.
Сбросить штифт
Сигнал сброса должен быть направлен в Vcc в модуле. Низкий уровень сигнала ResetL, превышающий минимальную длину импульса (t_Reset_init) (см. Таблицу 13), инициирует полный сброс модуля, возвращая все настройки пользовательского модуля в состояние по умолчанию.
Контакт InitMode
InitMode-это входной сигнал. Сигнал InitMode необходимо подтянуть до Vcc в модуле QSFP-DD. Сигнал InitMode позволяет хосту определить, будет ли модуль инициализироваться под управлением программного обеспечения хоста (InitMode утверждает высокий уровень) или аппаратным управлением модуля (InitMode отрицает низкий уровень). Под управлением программного обеспечения хоста модуль должен оставаться в режиме низкого энергопотребления до тех пор, пока программное обеспечение не обеспечит переход в режим высокой мощности, как определено в разделе 7,5. Под аппаратным управлением (InitMode de-absurved Low) модуль может сразу же перейти в режим высокой мощности после инициализации интерфейса управления. Хост не должен изменять состояние этого сигнала при наличии модуля. В устаревших приложениях QSFP этот сигнал называется LPMode. См. SFF-8679 для сигнала.
Контакт modPrsL
ModPrsL необходимо подтянуть к Vcc Host на плате хоста и заземлить в модуле. ModPrsL утверждается «Low», когда модуль ед., и убирается «High», когда модуль физически отсутствует в хост-соединителе.
Международный контакт
IntL-выходной сигнал. Сигнал IntL является выходом с открытым коллектором и должен быть выведен на хост Vcc на плате хоста. Когда сигнал IntL утверждается Low, это указывает на изменение состояния модуля, возможную неисправность модуля или критическое состояние для хост-системы. Хост определяет источник прерывания с помощью двухпроводного последовательного интерфейса. После чтения всех установленных флагов прерывания сигнал IntL деутрируется "High".
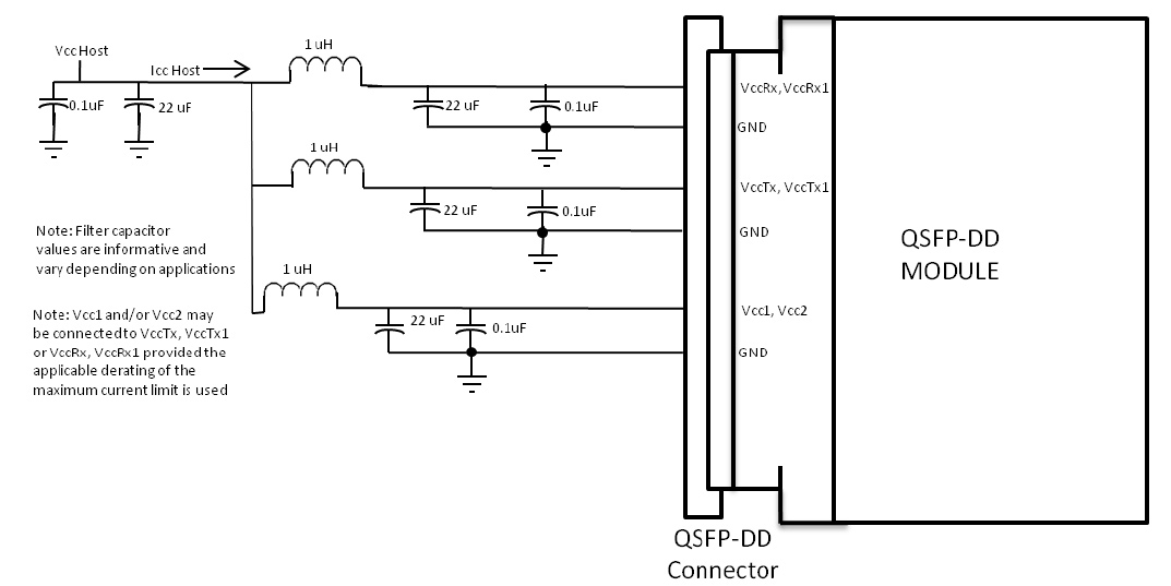
Электропитание Фильтрация
На хост-плате должна использоваться фильтрация источника питания, показанная на рисунке 3.

Рисунок 3. Фильтрация источника питания хост-платы
Оптические интерфейсные полосы и назначение
Порт оптического интерфейса представляет собой штекерный разъем MPO24.

Диаграмма 4. Оптически ориентация штепсельной розетки и канала
ДИАГНОСТИЧЕСКИЙ ИНТЕРФЕЙС МОНИТОРИНГА (ДОПОЛНИТЕЛЬНО)
Функция контроля диагностик цифров доступна на всех продуктах КСФП ДД. 2-проводный последовательный интерфейс обеспечивает контакт пользователя с модулем. Структура памяти показана на рисунке 5. Пространство памяти организовано в нижнюю, одну страницу, адресное пространство 128 байт и несколько верхних страниц адресного пространства. Эта структура обеспечивает своевременный доступ к адресам на нижней странице, например, флажки прерывания и мониторы. Менее критические по времени записи, например информация о серийном идентификатору и пороговые настройки, доступны с помощью функции выбора страницы. Структура также обеспечивает расширение адреса путем добавления дополнительных верхних страниц по мере необходимости. Адрес интерфейса используется A0xh и в основном используется для критических по времени данных, таких как обработка прерываний, чтобы обеспечить одноразовое чтение для всех данных, связанных с ситуацией прерывания. После прерывания, IntL, было заявлено, хост может прочитать поле флага, чтобы определить затронутый канал и тип флага.

Рисунок 5. Карта памяти QSFP DD

Рисунок 6. Карта низкого уровня памяти

Рис.7. Страница 00 Карта памяти

Время для функций мягкого управления и состояния

Рисунок 9. Технические характеристики сроков
Контура чертежа (мм)

Абсолютные максимальные рейтинги
Параметр | Символ | Мин | Макс | Единица |
Напряжение питания | Vcc | -0,3 | 3,6 | V |
Входное напряжение | Вин | -0,3 | ВЦЦ + 0,3 | V |
Температура хранения | TST | − 20 | 85 | ° С |
Рабочая температура корпуса | Топ | 0 | 70 | ° С |
Влажность (без конденсации) | Резус | 5 | 95 | % |
Рекомендуемые условия эксплуатации
Параметр | Символ | Мин | Типичные | Макс | Единица |
Поставка Напряжение | Vcc | 3,13 | 3,3 | 3,47 | V |
Эксплуатация Кейс Температура | TCA | 0 | 70 | ° С | |
Скорость передачи данных Пер Лейн | FD | 25,78125 | Гбит/с | ||
Влажность | Резус | 5 | 85 | % | |
Рассеиваемая мощность | PM | 4 | Вт |
Электрические характеристики
Параметр | Символ | Мин | Типичные | Макс | Единица |
Дифференциальный Ввод Сопротивление | Зин | 90 | 100 | 110 | Ом |
Дифференциальный Вывод Сопротивление | Зут | 90 | 100 | 110 | Ом |
Дифференциальный Входное напряжение Амплитуда Амплитуда | ΔVin | 300 | 1100 | МВп-п | |
Дифференциальный выход Амплитуда напряжения | ΔVout | 500 | 800 | МВп-п | |
Перекос | Sw | 300 | Пс | ||
Частота ошибок бит | БЕР | 5е-5 | |||
Логика ввода Уровень Высокий | VIH | 2,0 | VCC | V | |
Логика ввода Низкий уровень | Вил | 0 | 0,8 | V | |
Логика вывода Уровень Высокий | VOH | VCC-0.5 | VCC | V | |
Логика вывода Низкий уровень | Vol | 0 | 0,4 | V |
Примечание:
1. BER = 5E-5; PRBS 2 ^ 31-1@25.78125Gbps. Пре-ФЭК
2. Дифференциальная амплитуда входного напряжения измеряется между TxnP и TxnN.
3. Дифференциальная амплитуда выходного напряжения измеряется между RxnP и RxnN.
Оптические характеристики
Таблица 3-Оптические характеристики
Параметр | Символ | Мин | Типичные | Макс | Единица | Примечания | |
Передатчик | |||||||
Длина волны центра | Λc | 840 | 850 | 860 | Нм | - | |
Среднеквадратичная спектральная ширина | Δλ | - | - | 0,6 | Нм | - | |
Средняя пусковая мощность, Каждая полоса | Дутый | − 8,4 | - | 2,4 | ДБм | - | |
Оптическая модуляция Амплитуда (OMA), каждая полоса | ОМА | -6,4 | 3 | ДБм | - | ||
Передатчик и Дисперсионный глаз Закрытие (TDEC), каждая полоса | ТДЕК | 4,3 | ДБ | ||||
Коэффициент вымираания | ER | 3 | - | - | ДБ | - | |
Средний запуск Выключение питания Передатчик, Каждая полоса | -30 | ДБ | - | ||||
Маска Глаз Координаты: X1, X2, X3, Y1, Y2, Y3 | СПЕЦИФИКАЦИЯ ЦЕННОСТИ {0,3, 0,38, 0,45, 0,35, 0,41.0.5} | Коэффициент скорости = 5x10-5 | |||||
Приемник | |||||||
Длина волны центра | Λc | 840 | 850 | 860 | Нм | - | |
Стрессированный приемник Чувствительность в OMA | − 5,2 | ДБм | 1 | ||||
Максимальный средний Мощность на приемнике, Каждая полоса Вход, каждая полоса | 2,4 | ДБм | - | ||||
Минимальный средний Мощность на приемнике, Каждая полоса | -10,3 | ДБм | |||||
Отражение приемника | − 12 | ДБ | - | ||||
ЛОС Ассерт | -30 | ДБм | - | ||||
ЛОС де-Ассерт-ОМА | -7,5 | ДБм | - | ||||
ЛОС Гистерезис | 0,5 | ДБ | - | ||||
Примечание:
1. Измерено с помощью тестового сигнала соответствия на TP3 для BER = 5E-5 Per-FEC.
Применения
● IEEE 802.3bm 100GBASE SR4
| Date | Version | Description | Download | ||
| 2025-03-17 | 2x100GBASE-SR4 QSFPDD | ||||
Подпишитесь сейчас, вы можете получить более 100 ценных ресурсов и белой бумаги.
Следуйте за нами, также можете получать последние продукты и отраслевую информацию в электронных письмах наших членов.Узнать подробности >>>
Позвоните нам на:
Напишите нам:
2106B, № 3D, Облако Парк Фаза 1, Bantian, Лунган, Шэньчжень, 518129, P.R.C.