Этот продукт представляет собой четырехъядерный оптический модуль с малым форм-фактором 200 Гбит/с, предназначенный для приложений оптической связи.
Этот продукт представляет собой четырехъядерный оптический модуль с малым форм-фактором 200 Гбит/с, предназначенный для приложений оптической связи. Модуль преобразует 8 каналов электрических входных данных 25 Гбит/с (NRZ) в 4 канала оптических сигналов LAN-WDM и мультиплексирует их в один канал для оптической передачи 200 Гбит/с (PMA4). Обратно, на стороне приемника, модуль оптически демультиплексирует оптический вход 200 Гбит/с (PMA4) в 4 канала оптических сигналов WDM и преобразует их в 8 каналов электрических выходных данных 25 Гбит/с (NRZ). Центральные длины волн 4 каналов LAN WDM составляют 1295,56, 1300,05, 1304,58 и 1309,14 нм как члены сетки длин волн LAN WDM, определенной в IEEE802.3ba. Он содержит двухшпиндельный разъем LC для оптического интерфейса и 76-контактный разъем для электрического интерфейса. Для того чтобы уменьшить оптически рассеивание в системе дальнего следования, одномодовое волокно (SMF) должно быть приложено в этом модуле. Он может поддерживать до 30 км с 200G FEC и 40 км со встроенным PFEC. Продукт разработан с форм-фактором, оптическим/электрическим соединением и цифровым диагностическим интерфейсом в соответствии с Multi-Source Agreement (MSA). Он был разработан для работы в самых суровых внешних условиях эксплуатации, включая температуру, влажность и электромагнитные помехи.
Особенности
● QSFP-DD Соответствие требованиям MSA
● 4 полосы LWDM MUX/DEMUX дизайн
● Передача до 40km на волокне (SMF) одиночного режима с встроенным PFEC
● Рабочая температура корпуса: от 0 до 70oC.
● Максимальная потребляемая мощность 12 Вт.
● Двухшпиндельный разъем LC
● Соответствие RoHS
Блок схемы приемопередатчика

Рисунок 1. Блок-схема приемопередатчика
Назначение контактов и Deion
Электрическая распиновка модуля QSFP-DD показана на рисунке 2 ниже.

Рисунок 2. Соединитель, совместимый с MSA
Определение штифта
37 | CML-I | Ткс1н | Передатчик Инвертированный ввод данных | 3Б | |
38 | Земля | Земля | 1B | 1 | |
39 | Земля | Земля | 1А | 1 | |
40 | CML-I | TX6N | Передатчик Инвертированный ввод данных | 3А | |
41 | CML-I | ТХ6П | Не-инвертированные данные передатчика Ввод | 3А | |
42 | Земля | Земля | 1А | 1 | |
43 | CML-I | Tx8n | Передатчик Инвертированный ввод данных | 3А | |
44 | CML-I | TX8P | Не-инвертированные данные передатчика Ввод | 3А | |
45 | Земля | Земля | 1А | 1 | |
46 | Зарезервировано | Для будущего использования | 3А | 3 | |
47 | ВС1 | Модуль Поставщик Специфический 1 | 3А | 3 | |
48 | Vccrx1 | Источник питания 3,3 В | 2А | 2 | |
49 | VS2 | Модуль конкретного поставщика 2 | 3А | 3 | |
50 | VS3 | Модуль конкретного поставщика 3 | 3А | 3 | |
51 | Земля | Земля | 1А | 1 | |
52 | CML-O | Рх7п | Не-инвертированный вывод данных приемника | 3А | |
53 | CML-O | Ркс7н | Перевернутый вывод данных приемника | 3А | |
54 | Земля | Земля | 1А | 1 | |
55 | CML-O | Рх5п | Не-инвертированный вывод данных приемника | 3А | |
56 | CML-O | Рк5н | Перевернутый вывод данных приемника | 3А | |
57 | Земля | Земля | 1А | 1 | |
58 | Земля | Земля | 1А | 1 | |
59 | CML-O | Ркс6н | Перевернутый вывод данных приемника | 3А | |
60 | CML-O | Рх6п | Не-инвертированный вывод данных приемника | 3А | |
61 | Земля | Земля | 1А | 1 | |
62 | CML-O | Рх8н | Перевернутый вывод данных приемника | 3А | |
63 | CML-O | Рх8п | Не-инвертированный вывод данных приемника | 3А | |
64 | Земля | Земля | 1А | 1 | |
65 | НК | Нет подключения | 3А | 3 | |
66 | Зарезервировано | Для будущего использования | 3А | 3 | |
67 | Vcctx1 | Источник питания 3,3 В | 2А | 2 | |
68 | VCC2 | Источник питания 3,3 В | 2А | 2 | |
69 | Зарезервировано | Для будущего использования | 3А | 3 | |
70 | Земля | Земля | 1А | 1 | |
71 | CML-I | TX7P | Не-перевернутый ввод данных передатчика | 3А | |
72 | CML-I | Tx7n | Передатчик Инвертированный ввод данных | 3А | |
73 | Земля | Земля | 1А | 1 | |
74 | CML-I | ТХ5П | Не-перевернутый ввод данных передатчика | 3А | |
75 | CML-I | Tx5n | Передатчик Инвертированный ввод данных | 3А | |
76 | Земля | Земля | 1А | 1 |
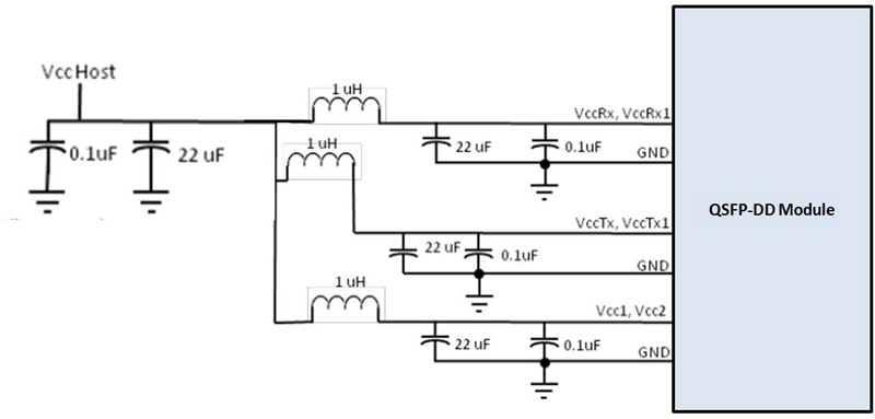
Рекомендуемый фильтр питания
Рисунок 3. Рекомендуемый фильтр питания
Абсолютные максимальные рейтинги
Следует отметить, что работа, превышающая любые индивидуальные абсолютные максимальные оценки, может привести к необратимому повреждению этого модуля.
Параметр | Символ | Мин | Макс | Единицы | Примечания |
Температура хранения | ТС | -40 | 85 | Degc | |
Операционный случай Температура | ТОП | 0 | 70 | Degc | |
Напряжение питания | VCC | -0,5 | 3,6 | V | |
Относительная влажность (Без конденсации) | Правый | 0 | 85 | % | |
Порог повреждения, Каждая полоса | THD | -5,0 | ДБм |
Рекомендуемые условия эксплуатации и требования к электропитанию
Параметр | Символ | Мин | Типичные | Макс | Единицы | Примечания |
Операционный случай Температура | ТОП | 0 | 70 | Degc | ||
Электропитание Напряжение | VCC | 3135 | 3,3 | 3465 | V | |
Тариф данных, каждая майна | 26,5625 | ГБД | ПАМ 4 | |||
Точность тарифа данных | -100 | 100 | Промилле | |||
Коэффициент ошибки бита Пре-ФЭК | 2,4x10-4 | |||||
Коэффициент ошибки бита Пост-ФЭК | 1x10-12 | 1 | ||||
Расстояние соединения | Д | 0002 | 30 | Км | 2 | |
Расстояние соединения | Д | 0002 | 40 | Км | 3 |
Примечания:
1. FEC предоставляется хост-системой.
2. FEC требуется в хост-системе для поддержки максимального расстояния.
3. Встроенный PFEC требуется для поддержки до 40 км
Электрические характеристики
Следующие электрические характеристики определены в Рекомендуемой рабочей среде, если не указано иное.
Параметр | Точка тестирования | Мин | Типичные | Макс | Единицы | Примечания | ||||
12 | ПоставкиТекущий | 3,64 | SignalingRate,eachLane | 26,5625 ± 100 ппм | Дифференциальный InputVoltageTolerance | 900 | 1 | |||
Прекращение Несоответствие | 10 | ДифференциалВходВозвращениеПотеря | IEEE802.3- Уравнение ДБ | |||||||
ТР1 | 2015 (83E-6) | дБ | ||||||||
Модуль подчеркнул Входной тест | ТП1а | Смотрите IEEE 802.3bs 120E.3.4.1 | 2 | |||||||
Одно-законченный Допуск напряжения Диапазон (мин) | ТП1а | От-0,4 до 3,3 | V | |||||||
Общий постоянный ток Вход режима Напряжение | ТР1 | -350 | 2850 | |||||||
Приемник (каждая полоса) | ||||||||||
Скорость сигнализации, Каждая полоса | ТР4 | 26,5625 ± 100 ппм | ГБД | |||||||
Дифференциальный Пик-пик Выходное напряжение | ТР4 | 900 | ||||||||
Дифференциальный Прекращение Несоответствие | ТР4 | 10 | ||||||||
Дифференциальный Вывод Возвращение Потери | ТР4 | IEEE 802,3- 2015 Уравнение (83E-2) | ||||||||
Общие для Дифференциальный Режим Преобразование Возвращенная потеря | ТР4 | IEEE 802,3- 2015 Уравнение (83E-3) | ||||||||
Переход Время, 20% Для 80% | ТР4 | 9,5 | ||||||||
Близко-конец Глаз Симметрия Маска Ширина (ЭСМВ) | ТР4 | 0265 | ||||||||
Близко-конец Глаз Высота, Дифференциальный | ТР4 | 70 | ||||||||
Дальний конец глаза Симметрия Маска Ширина (ЭСМВ) | ТР4 | 0,2 | ||||||||
Far-end Глаз Высота, Дифференциальный | ТР4 | 30 | ||||||||
Far-end Пре-курсор Коэффициент ISI | ТР4 | -4,5 | 2,5 | |||||||
Общие Режим Вывод Напряжение (Vcm) | ТР4 | -350 | 2850 | |||||||
Примечания:
1. За исключением IEEE 802.3bs 120E.3.1.2, шаблон PRBS31Q или скремблированный в режиме ожидания.
2. Соответствует BER, указанной в IEEE 802.3bs 120E.1.1.
3. Синфазное напряжение постоянного тока, генерируемое хостом. Спецификация включает эффекты напряжения смещения заземления.
Оптические характеристики
Параметр | Символ | Мин | Типичные | Макс | Единицы | Примечания |
Длина волны Назначение | L0 | 1294,53 | 1295,56 | 1296,59 | Нм | |
L1 | 1299,02 | 1300,05 | 1301,09 | Нм | ||
L2 | 1303,54 | 1304,58 | 1305,63 | Нм | ||
L3 | 1308,09 | 1309,14 | 1310,19 | Нм | ||
Передатчик | ||||||
Тариф данных, каждая майна | 53125 ± 100 ппм | ГБД | ||||
Формат модуляции | ПАМ 4 | |||||
Боковой режим Коэффициент подавления | СМСР | 30 | ДБ | |||
Общая средняя Мощность запуска | ПТ | 14,7 | ДБм | |||
Средняя мощность запуска, Каждая полоса | ПАВГ | -0,1 | 5,6 | ДБм | ||
Внешний оптический Модуляция Амплитуда (OMAouter), Каждая полоса | Пома | 3,4 | 6,4 | ДБм | ||
Мощность запуска в Омутер минус TDECQ, каждая полоса | 3 | ДБ | ||||
Передатчик и Дисперсия Закрытие глаз Для PAM4, каждая полоса | Tdecq | 3,2 | ДБ | |||
Коэффициент вымираания | ER | 6 | ДБ | |||
Разница в Мощность запуска Между любыми Две полосы (ОМАоутер) | 4 | ДБ | ||||
RIN15.1OMA | РИН | − 132 | ДБ/Гц | |||
Оптический возврат Допуск потери | ТОЛ | 15,1 | ДБ | |||
Отражение передатчика | РТ | − 26 | ДБ | |||
Средний запуск Мощность ВЫКЛ Передатчик, Каждая полоса | Пофф | -30 | ДБм | |||
Приемник | ||||||
Тариф данных, каждая майна | 53125 ± 100 ппм | ГБД | ||||
Формат модуляции | ПАМ 4 | |||||
Чувствительность, каждая полоса | Sen1 | МАКС. (-11,1, SECQ-12.5) | ДБм | За 30 км | ||
Чувствительность, каждая полоса | Сен2 | МАКС. (-14,1, SECQ-15.5) | ДБм | За 40 км | ||
Стрессовые условия для чувствительности приемника стресса (Примечание 8) | ||||||
Стрессное закрытие глаз Для PAM4 (SECQ), Лейн в тесте | 3,4 | ДБ | ||||
SECQ - 10 * log10 (Сек), Лейн в тесте | ДБ | |||||
Омутер Каждая полоса агрессора | -8 | ДБм | ||||
Функции цифров диагностические
Параметр | Символ | Мин | Макс | Единицы | Примечания |
Монитор температуры Абсолютная ошибка | ДМИ_Темп | -3 | 3 | Degc | Над диапазоном рабочих температур |
Напряжение питания Монитор Абсолютная ошибка | DMI _ VCC | -0,1 | 0,1 | V | Более полной эксплуатации Диапазон |
Мощность канала RX Абсолютная ошибка монитора | ДМИ_РХ_Ч | -2 | 2 | ДБ | 1 |
Уклон канала Текущий монитор | ДМИ_Ибиас_Ч | -10% | 10% | МА | |
Мощность канала TX Монитор Абсолютная ошибка | ДМИ_ТХ_Ч | -2 | 2 | ДБ | 1 |
Следующие цифровые диагностические характеристики определены для нормальных условий эксплуатации, если не указано иное.
Примечания:
4. Из-за точности измерения различных одномодовых волокон могут быть дополнительные колебания +/-1 дБ или общая точность +/- 3 дБ.
Контура чертежа (мм)

Применения
● Сеть 5G
● 200 Гб Ethernet
● Корпоративная сеть
| Date | Version | Description | Download | ||
| 2025-03-17 | Спецификация _ 200G QSFP-DD ER4 1310 нм 40 км _ LA-OT-200G-ER4 | ||||
Подпишитесь сейчас, вы можете получить более 100 ценных ресурсов и белой бумаги.
Следуйте за нами, также можете получать последние продукты и отраслевую информацию в электронных письмах наших членов.Узнать подробности >>>
Позвоните нам на:
Напишите нам:
2106B, № 3D, Облако Парк Фаза 1, Bantian, Лунган, Шэньчжень, 518129, P.R.C.