Этот продукт представляет собой модуль приемопередатчика 200 Гбит/с, предназначенный для приложений оптической связи на 10 км. Конструкция соответствует стандарту IEEE802.3bs 200GBASE-LR4.
Этот продукт представляет собой модуль приемопередатчика 200 Гбит/с, предназначенный для приложений оптической связи на 10 км. Конструкция соответствует стандарту IEEE802.3bs 200GBASE-LR4. Для электрического интерфейса 200GAUI-8 модуль преобразует 8 входных каналов (ch) электрических данных 25 Гбит/с в 4 канала оптических сигналов LWDM и мультиплексирует их в один канал для оптической передачи 200 Гбит/с (PAM4). Обратно, на стороне приемника, модуль оптически демультиплексирует вход 200 Гбит/с (PAM4) в 4 канала сигналов LWDM и преобразует их в 8 каналов выходных электрических данных. Для электрического интерфейса 200GAUI-4 модуль преобразует 4 входных канала (ch) электрических данных 50 Гбит/с в 4 канала оптических сигналов LWDM и мультиплексирует их в один канал для оптической передачи 200 Гбит/с (PAM4). Обратно, на стороне приемника, модуль оптически демультиплексирует вход 200 Гбит/с (PAM4) в 4 канала сигналов LWDM и преобразует их в 4 канала выходных электрических данных. Центральные длины волн 4 каналов LWDM. Он содержит двухшпиндельный разъем LC для оптического интерфейса и 76-контактный разъем для электрического интерфейса. Для того чтобы уменьшить оптически рассеивание в системе дальнего следования, одномодовое волокно (SMF) должно быть приложено в этом модуле. Необходим, что поддерживает FEC хозяина передачу волокна до 10km. Продукт разработан с форм-фактором, оптическим/электрическим соединением и цифровым диагностическим интерфейсом в соответствии с Multi-Source Agreement (MSA). Он был разработан для работы в самых суровых внешних условиях эксплуатации, включая температуру, влажность и электромагнитные помехи.
Особенности
● Соответствие IEEE802.3bs
● QSFP-DD Соответствие требованиям MSA
● 4 полосы LWDM MUX/DEMUX дизайн
● Поддерживает совокупную скорость передачи данных 212,5 Гбит/с.
● До передачи 10км на волокне (SMF) одиночного режима с ФЭК
● Рабочая температура корпуса: от 0 до 70oC.
● Электрический интерфейс 200GAUI-8 и 200GAUI-4
● Максимальная потребляемая мощность 10,8 Вт.
Соединитель дуплекса ЛК ●
● Соответствие RoHS
Блок схемы приемопередатчика
Для 200GAUI-8

Для 200GAUI-4

Рисунок 1. Блок-схема приемопередатчика
Назначение контактов и Deion

Рисунок 2. MSA совместимый разъем
Определение штифта
Пин | Логика | Символ | Deion | Последовательность штекера | Примечания |
1 | Земля | Земля | 1B | 1 | |
2 | CML-I | Тх2н | Передатчик Инвертированный ввод данных | 3Б | |
3 | CML-I | ТХ2П | Не-перевернутый ввод данных передатчика | 3Б | |
4 | Земля | Земля | 1B | 1 | |
5 | CML-I | Тх4н | Передатчик Инвертированный ввод данных | 3Б | |
6 | CML-I | ТХ4П | Не-перевернутый ввод данных передатчика | 3Б | |
7 | Земля | Земля | 1B | 1 | |
8 | LVTTL-I | Модселл | Выбор модуля | 3Б | |
9 | LVTTL-I | Сброс | Сброс модуля | 3Б | |
10 | Vccrx | Приемник источника питания 3,3 В | 2B | 2 | |
11 | LVCMOS- Ввод/вывод | СКЛ | 2-проводные часы последовательного интерфейса | 3Б | |
12 | LVCMOS- Ввод/вывод | ПДД | Данные 2-проводного последовательного интерфейса | 3Б | |
13 | Земля | Земля | 1B | 1 | |
14 | CML-O | Рх3п | Не-инвертированный вывод данных приемника | 3Б | |
15 | CML-O | Ркс3н | Перевернутый вывод данных приемника | 3Б | |
16 | Земля | Земля | 1B | 1 | |
17 | CML-O | Рк1п | Не-инвертированный вывод данных приемника | 3Б | |
18 | CML-O | Рк1н | Перевернутый вывод данных приемника | 3Б | |
19 | Земля | Земля | 1B | 1 | |
20 | Земля | Земля | 1B | 1 | |
21 | CML-O | Ркс2н | Перевернутый вывод данных приемника | 3Б | |
22 | CML-O | Рх2п | Не-инвертированный вывод данных приемника | 3Б | |
23 | Земля | Земля | 1B | 1 | |
24 | CML-O | Ркс4н | Перевернутый вывод данных приемника | 3Б | |
25 | CML-O | Рх4п | Не-инвертированный вывод данных приемника | 3Б | |
26 | Земля | Земля | 1B | 1 | |
27 | LVTTL-O | МодпрсЛ | Модуль присутствует | 3Б | |
28 | LVTTL-O | Международный | Прерывание | 3Б | |
29 | Vcctx | Передатчик питания 3,3 В | 2B | 2 | |
30 | VCC1 | Источник питания 3,3 В | 2B | 2 | |
31 | LVTTL-I | InitMode | Режим инициализации; В устаревших приложениях QSFP панель InitMode Называется LPMODE | 3Б | |
32 | Земля | Земля | 1B | 1 | |
33 | CML-I | ТХ3П | Не-перевернутый ввод данных передатчика | 3Б | |
34 | CML-I | Тх3н | Передатчик Инвертированный ввод данных | 3Б | |
35 | Земля | Земля | 1B | 1 | |
36 | CML-I | ТХ1П | Не-перевернутый ввод данных передатчика | 3Б | |
37 | CML-I | Ткс1н | Передатчик Инвертированный ввод данных | 3Б | |
38 | Земля | Земля | 1B | 1 | |
39 | Земля | Земля | 1А | 1 | |
40 | CML-I | TX6N | Передатчик Инвертированный ввод данных | 3А | |
41 | CML-I | ТХ6П | Не-перевернутый ввод данных передатчика | 3А | |
42 | Земля | Земля | 1А | 1 | |
43 | CML-I | Tx8n | Передатчик Инвертированный ввод данных | 3А | |
44 | CML-I | TX8P | Не-перевернутый ввод данных передатчика | 3А | |
45 | Земля | Земля | 1А | 1 | |
46 | Зарезервировано | Для будущего использования | 3А | 3 | |
47 | ВС1 | Модуль Поставщик Специфический 1 | 3А | 3 | |
48 | Vccrx1 | Источник питания 3,3 В | 2А | 2 | |
49 | VS2 | Модуль конкретного поставщика 2 | 3А | 3 | |
50 | VS3 | Модуль конкретного поставщика 3 | 3А | 3 | |
51 | Земля | Земля | 1А | 1 | |
52 | CML-O | Рх7п | Не-инвертированный вывод данных приемника | 3А | |
53 | CML-O | Ркс7н | Перевернутый вывод данных приемника | 3А | |
54 | Земля | Земля | 1А | 1 | |
55 | CML-O | Рх5п | Не-инвертированный вывод данных приемника | 3А | |
56 | CML-O | Рк5н | Перевернутый вывод данных приемника | 3А | |
57 | Земля | Земля | 1А | 1 | |
58 | Земля | Земля | 1А | 1 | |
59 | CML-O | Ркс6н | Перевернутый вывод данных приемника | 3А | |
60 | CML-O | Рх6п | Не-инвертированный вывод данных приемника | 3А | |
61 | Земля | Земля | 1А | 1 | |
62 | CML-O | Рх8н | Перевернутый вывод данных приемника | 3А | |
63 | CML-O | Рх8п | Не-инвертированный вывод данных приемника | 3А | |
64 | Земля | Земля | 1А | 1 | |
65 | НК | Нет подключения | 3А | 3 | |
66 | Зарезервировано | Для будущего использования | 3А | 3 | |
67 | Vcctx1 | Источник питания 3,3 В | 2А | 2 | |
68 | VCC2 | Источник питания 3,3 В | 2А | 2 | |
69 | Зарезервировано | Для будущего использования | 3А | 3 | |
70 | Земля | Земля | 1А | 1 | |
71 | CML-I | TX7P | Не-перевернутый ввод данных передатчика | 3А | |
72 | CML-I | Tx7n | Передатчик Инвертированный ввод данных | 3А | |
73 | Земля | Земля | 1А | 1 | |
74 | CML-I | ТХ5П | Не-перевернутый ввод данных передатчика | 3А | |
75 | CML-I | Tx5n | Передатчик Инвертированный ввод данных | 3А | |
76 | Земля | Земля | 1А | 1 |
Примечания:
1. GND-это символ сигнала и источника питания (питания), общий для модулей QSFP-DD. Все они распространены в модуле QSFP-DD, и все напряжения модуля относятся к этому потенциалу, если не указано иное. Подключите их напрямую к общей плоскости заземления сигнала материнской платы.
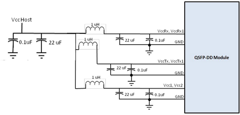
2. VccRx, Vcc1 и VccTx являются поставщиками электроэнергии для приема и передачи и применяются одновременно. Рекомендуемая фильтрация источника питания хост-платы показана на рисунке 3 ниже. Vcc Rx, Vcc1 и Vcc Tx могут быть подключены внутри модуля приемопередатчика QSFP-DD в любой комбинации. Каждый из контактов разъема рассчитан на максимальный ток 1000 мА.
Рекомендуемый фильтр питания

Рисунок 3. Рекомендуемый фильтр питания
Абсолютные максимальные рейтинги
Следует отметить, что работа, превышающая любые индивидуальные абсолютные максимальные оценки, может привести к необратимому повреждению этого модуля.
Параметр | Символ | Мин | Макс | Единицы | Примечания |
Температура хранения | ТС | -40 | 85 | Degc | |
Рабочая температура корпуса | ТОП | 0 | 70 | Degc | |
Напряжение питания | VCC | -0,5 | 3,6 | V | |
Относительная влажность (Без конденсации) | Правый | 0 | 85 | % | |
Порог повреждения, каждая полоса | THD | 3,5 | ДБм |
Рекомендуемые условия эксплуатации и требования к электропитанию
Параметр | Символ | Мин | Типичные | Макс | Единицы | Примечания |
Операционный случай Температура | ТОП | 0 | 70 | Degc | ||
Электропитание Напряжение | VCC | 3135 | 3,3 | 3465 | V | |
Скорость передачи данных, Каждая полоса | 26,5625 | ГБД | ||||
53125 | Гб/с | |||||
Точность тарифа данных | -100 | 100 | Промилле | |||
Коэффициент ошибки бита Пре-ФЭК | 2,4x10-4 | |||||
Коэффициент ошибки бита Пост-ФЭК | 1x10-12 | 1 | ||||
Управление входным напряжением Высокое | 2 | Vcc | V | |||
Контроль входного напряжения Низкий | 0 | 0,8 | V | |||
Расстояние соединения с G.652 | Д | 0002 | 10 | Км | 2 |
Примечания:
1. FEC предоставляется хост-системой.
2. FEC требуется в хост-системе для поддержки максимального расстояния.
Электрические характеристики
Следующие электрические характеристики определены в Рекомендуемой рабочей среде, если не указано иное.
Электрические характеристики 200GAUI-8
Параметр | Символ | Мин | Типичные | Макс | Единицы | Примечания | ||
Потребляемая мощность | 10,8 | Вт | ||||||
Ток поставки | МКК | 3258 | МА | |||||
Передатчик (каждая полоса) | ||||||||
Скорость сигнализации на полосу (200GBASE-LR4) | 26,5625 ± 100 ппм | ГБД | ||||||
Пик-пик дифференциального выходного напряжения | 900 | МВ | ||||||
Синфазный переменный ток Выходное напряжение | 17,5 мВ RMS с уважением На сигнальную землю | МВ | ||||||
Дифференциальные выходные возвратные потери | Соответствует ограничениям уравнения (120D-2) | |||||||
Эталонный импеданс для выходных возвратных потерь | 100 | Ω | ||||||
Общее к дифференциальному Преобразование режима | Зин | Соответствует ограничениям уравнения (83E-3) | ||||||
Дифференциальное прекращение несоответствия | Меньше чем 10% | |||||||
Время перехода | Больше или равно 12 пс | |||||||
Ширина глаз | 0,57 | Пользовательский интерфейс | ||||||
Высота глаз | 228 | МВ | ||||||
Источник перекрестных помех | Источник асинхронных перекрестных помех с использованием шаблона 5, шаблона 3 или действительного сигнала 200GBASE-R | |||||||
Вертикальное закрытие глаз | 5,5 | ДБ | ||||||
Приемник (каждая полоса) | ||||||||
Одно-законченное выходное напряжение | -0,4 | 3,3 | V | Упоминается сигнал Общий | ||||
Дифференциальный вход pk-pk | 900 | МВ | ||||||
Допуск напряжения | ||||||||
Эквати | ||||||||
Дифференциальный входной возврат | На | |||||||
Потеря | (83E- | |||||||
5) | ||||||||
Эквати | ||||||||
Дифференциал к общему- | На | |||||||
Режим возврата на входе | (83E- | |||||||
6) | ||||||||
Несоответствие прекращения в | 10 | % | ||||||
1 МГц | ||||||||
Модуль подчеркнул вход | ||||||||
Тест | См 83E.3.4.1 | |||||||
Общий режим постоянного тока | ||||||||
Напряжение | -350 | 2850 | МВ | |||||
Ширина глаз | 0,46 | Пользовательский интерфейс | ||||||
Высота глаз | 95 | МВ | ||||||
200GAUI-4 Электрические характеристики
Параметр | Символ | Мин | Типичные | Макс | Единицы | Примечания | |
Потребляемая мощность | 10,8 | Вт | |||||
Ток поставки | МКК | 3258 | МА | ||||
Передатчик (каждая полоса) | |||||||
Скорость сигнализации на Lane (200GBASE-LR4) | 26,5625 ± 100 ппм | ГБД | |||||
Дифференциал пик-пик Выходное напряжение | 900 | МВ | |||||
Синфазный переменный ток Выходное напряжение | 17,5 | МВ | |||||
Дифференциальный выходной возврат Потеря | Уравнение (83E-2) | ||||||
Общее к дифференциальному Преобразование режима | Зин | Уравнение (83E-3) | |||||
Дифференциальное прекращение Несоответствие | 10 | % | |||||
Время перехода (20% до 80%) | 9,5 | Пс | |||||
Общий режим постоянного тока Напряжение | -350 | 2850 | МВ | ||||
Приемник (каждая полоса) | |||||||
Одно-законченное выходное напряжение | -0,4 | 3,3 | V | Упоминается сигнал Общий | |||
Дифференциальный вход pk-pk Допуск напряжения | 900 | МВ | |||||
Дифференциальные входные возвратные потери | Эквати на (83E- 5) | ||||||
Дифференциальный к синфазному входу возвратные потери | Эквати на (83E- | ||||||
Оптические характеристики
Параметр | Символ | Мин | Типичные | Макс | Единицы | Примечания |
Назначение длины волны | L0 | 1294,53 | 1295,56 | 1296,59 | Нм | |
L1 | 1299,02 | 1300,05 | 1301,09 | Нм | ||
L2 | 1303,54 | 1304,58 | 1305,63 | Нм | ||
L3 | 1308,09 | 1309,14 | 1310,19 | Нм | ||
Передатчик | ||||||
Тариф данных, каждая майна | 26,5625 ± 100 ппм | ГБД | ||||
Формат модуляции | ПАМ 4 | |||||
Коэффициент подавления бокового режима | СМСР | 30 | ДБ | Модулированный | ||
Общая средняя мощность запуска | ПТ | 11,3 | ДБм | |||
Средняя пусковая мощность, каждый Лейн | ПАВГ | -3,4 | 5,3 | ДБм | 1 | |
Внешняя Оптический Модуляция Амплитуда (OMAouter), Каждая полоса | Пома | -0,4 | 5,1 | ДБм | 2 | |
Мощность запуска В омутер Минус TDECQ, Каждая полоса | -1,8 | ДБ | Для ER ≥ 4,5 дБ | |||
-1,7 | ДБ | Для ER <4,5 дБ | ||||
Передатчик и Дисперсия глаз Клоузер для PAM4, Каждая полоса | Tdecq | 3,4 | ДБ | |||
Коэффициент вымираания | ER | 3,5 | ДБ | |||
Разница в Мощность запуска Между любыми Две полосы (ОМАоутер) | 4 | ДБ | ||||
RIN16.5OMA | РИН | − 132 | ДБ/Гц | |||
Оптический возврат Допуск потери | ТОЛ | 15,1 | ДБ | |||
Отражение передатчика | ТР | − 26 | ДБ | |||
Средний запуск Мощность ВЫКЛ Передатчик, каждая полоса | Пофф | -30 | ДБм | |||
Приемник | ||||||
Тариф данных, каждая майна | 26,5625 ± 100 ппм | ГБД | ||||
Формат модуляции | ПАМ 4 | |||||
Порог повреждения, Каждая полоса | THD | 6,3 | ДБм | 3 | ||
Средняя мощность приема, Каждая полоса | -9,7 | 5,3 | ДБм | 4 | ||
Приемная мощность (OMAouter), Каждая полоса | 5,1 | ДБм | ||||
Разница в Мощность приемника Между любыми двумя линиями (ОМАоутер) | 4,2 | ДБ | ||||
Чувствительность приемника (OMAouter), каждая полоса | SEN | − 7,7 | ДБм | Для BER 2.4E-4 | ||
Стрессанный приемник Чувствительность (OMAouter), каждая полоса | SRS | − 5,2 | ДБм | 5 | ||
Отражение приемника | РР | − 26 | ДБ | |||
ЛОС Ассерт | ЛОСА | -25,7 | ДБм | |||
ЛОС Де-утверждает | Losd | -11,7 | ДБм | |||
ЛОС Гистерезис | Losh | 0,5 | ДБ | |||
Стрессовые условия для чувствительности приемника стресса (Примечание 6) | ||||||
Настроенное закрытие глаз для PAM4 (SECQ), испытываемая полоса | 3,4 | ДБ | ||||
OMAouter каждой полосы агрессора | -1 | ДБм | ||||
Примечания: 1. Средняя пусковая мощность, каждая полоса (мин.) является информативной, а не основным показателем мощности сигнала. Передатчик с пусковой мощностью ниже этого значения не может быть совместимым; однако значение выше этого значения не гарантирует соответствия. 2. Даже если TDECQ <1,4 дБ для коэффициента экстинкции ≥ 4,5 дБ или TDECQ <1,3 дБ для коэффициента экстинкции <4,5 дБ, OMAouter (мин.) должен превышать минимальное значение, указанное здесь. Приемник должен быть способен выдерживать без повреждений непрерывное воздействие оптического входного сигнала, имеющего этот средний уровень мощности. 3. Средняя мощность приема, каждая полоса (мин.) является информативной, а не основным показателем силы сигнала. Полученная мощность ниже этого значения не может быть совместимой; однако значение выше этого не гарантирует соответствия. 4. Измеряется с помощью тестового сигнала соответствия для BER = 2,4x10-4. 5. Эти условия испытаний предназначены для измерения чувствительности приемника под напряжением. Они не являются характеристиками приемника. | ||||||
Функции цифров диагностические
Следующие цифровые диагностические характеристики определены для нормальных условий эксплуатации, если не указано иное.
Параметр | Символ | Мин | Макс | Единицы | Примечания |
Температурные мониторы Абсолютная погрешность | ДМИ_Темп | -3 | 3 | Degc | Над диапазоном рабочих температур |
Монитор напряжения питания Абсолютная погрешность | DMI _ VCC | -0,1 | 0,1 | V | Более полного рабочего диапазона |
Монитор мощности канала RX Абсолютная погрешность | ДМИ_РХ_Ч | -3 | 3 | ДБ | |
Монитор тока смещения канала | ДМИ_Ибиас_Ч | -10% | 10% | МА | |
Мощность канала TX Абсолютная погрешность монитора | ДМИ_ТХ_Ч | -3 | 3 | ДБ |
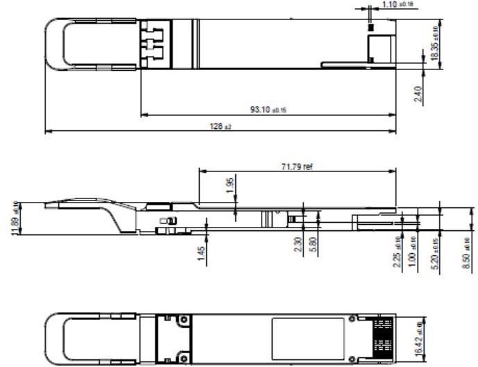
Контура чертежа (мм)

Применения
● Интерконнект центра обработки данных
● 200 Гб Ethernet
● Корпоративная сеть
| Date | Version | Description | Download | ||
| 2025-03-17 | Спецификация _ 200G QSFP-DD LR4 1310 нм 10 км _ LA-OT-200G-LR4 | ||||
Подпишитесь сейчас, вы можете получить более 100 ценных ресурсов и белой бумаги.
Следуйте за нами, также можете получать последние продукты и отраслевую информацию в электронных письмах наших членов.Узнать подробности >>>
Позвоните нам на:
Напишите нам:
2106B, № 3D, Облако Парк Фаза 1, Bantian, Лунган, Шэньчжень, 518129, P.R.C.