Конструированный для пользы в соединениях локальных сетей 10 гигабит до 60 км по волокну одиночного режима. Модуль состоит из лазера CWDM EML.
Конструированный для пользы в соединениях локальных сетей 10 гигабит до 60 км по волокну одиночного режима. Модуль состоит из лазера КВДМ ЭМЛ, АПД и предусилителя в высоко-интегрированном оптически подсборке. Функции цифровой диагностики доступны через 2-проводной последовательный интерфейс, как указано в SFF8472. Связь данных модуля до 60 км в волокне одиночного режима 9/125ум.
Особенности
● Соответствует SFP SFF-8431 и SFF-8432 Горяч-pluggable SFP след
● Поддерживает скорость передачи данных от 9,5 до 11,3 Гбит/с.
● Рассеиваемая мощность <1,5 Вт.
● Один источник питания 3,3 В
● Максимальная длина соединения 60 км
● CWDM длина волны EML передатчик, фото-детектор APD
● Двухшпиндельный разъем LC
● Рассеиваемая мощность <1,5 Вт.
● Встроенные цифровые диагностические функции.
● Диапазон температур корпуса: от 0 ° C до 70 ° C.
Абсолютные максимальные рейтинги
Параметр | Символ | Мин. | Типа. | Макс. | Единица | Примечание |
Температура хранения | Ts | -40 | 85 | ° С | ||
Хранение Окружение Влажность | ХА | 5 | 85 | % | ||
Электропитание Напряжение | VCC | -0,5 | 4 | V | ||
Вход сигнала Напряжение | -0,3 | ВЦЦ + 0,3 | V | |||
Повреждение приемника Порог | + 4 | ДБм |
Операционная среда
Параметр | Символ | Мин. | Типа. | Макс. | Единица | Примечание |
Операционный случай Температура | Чехол | 0 | 70 | ° С | Примечание (1) | |
Окружая влажность | ХА | 5 | 85 | % | ||
Напряжение питания | VCC | 3,14 | 3,3 | 3,46 | V | |
Электропитание Ток | МТП | 450 | МА | |||
Электропитание Отклонение шума | 100 | МВп-п | От 100 Гц до 1 МГц | |||
Дальность передачи | 60 | Км | ||||
Соединенные волокна | Волокно одиночного режима | ITU-T G.653 | ||||
Примечание: от-10 до 60 ° C при потоке воздуха 1,5 м/с.
Оптические характеристики
Параметр | Символ | Мин. | Типа. | Макс. | Единица | Примечание |
Передатчик | ||||||
Средний Запущенный Мощность | РО | -2 | 5 | ДБм | Примечание (1) | |
Коэффициент вымираания | ER | 6 | ДБ | |||
Длина волны центра | Λc | 1470 | 1610 | Нм | ||
Центр Длина волны Космос | 20 | Нм | ||||
Диапазон спектра Ширина (RMS) | Σ | 1,0 | Нм | |||
СМСР | 30 | ДБ | ||||
Передатчик ВЫКЛ Выходная мощность | ПОФ | -40 | ДБм | |||
Джиттер передачи (пик-пик) | Txj | 0,1 | Пользовательский интерфейс | |||
Джиттер TX (RMS) | Txjrms | 0,01 | Пользовательский интерфейс | |||
Передатчик и Дисперсия Штраф | ТДП | 3,0 | ДБ | |||
Маска глаза выхода | Совместимость с IEEE 0802.3ae | |||||
Приемник | ||||||
Вход Оптический Длина волны | Λ | 1270 | 1610 | Нм | ||
Чувствительность приемника | − 22 | ДБм | Примечание (2) | |||
Входная насыщенность Мощность (перегрузка) | Псат | -8 | ДБм | |||
LOS Обнаружение- Сила Ассерт | Полиамид | − 36 | ДБм | |||
LOS Обнаружение- Дезерт Пауэр | ПД | − 23 | ДБм | |||
LOS Обнаружение гистерезиса | ФИС | 2 | ДБ | |||
Примечание:
1. Запущенная сила (ср.) сила соединенная в волокно одиночного режима с соединителем. (До жизни)
2. Измерено с помощью тестового сигнала соответствия для BER = 10 ^-12.@10.3125Gbps, PRBS = 2 ^ 31-1, NRZ.
Электрические характеристики
Параметр | Символ | Мин. | Типа. | Макс. | Единица | Примечание | |
Передатчик | |||||||
Дифференциальная линия Входное сопротивление | РИН | 100 | Ом | ||||
Дифференциальные данные Входной качели | ВДТ | 300 | 700 | МВп-п | |||
Передача Отключить Напряжение | Vdis | 2 | Vcc | V | Lvttl | ||
Передача Включить Напряжение | Вен | Ви | Ви 0,8 | V | |||
Приемник | |||||||
Дифференциальные данные Выходной качели | Vdr | 400 | 850 | МВп-п | Примечание (1) | ||
Выход ЛОС Напряжение-высокое | ВЛОШ | Ви | Ви 0,8 | V | Lvttl | ||
Выход ЛОС Напряжение-низкое | Vlosl | 2 | Vcchost | V | |||
Примечание: до дифференциального завершения 100 Ом.
Описание штифта

Пин | Символ | Имя/Описание | Примечание |
1 | VEET | Земля передатчика (общая с землей приемника) | 1 |
2 | Tfault | Неисправность передатчика. | 2 |
3 | ТДИС | Передатчик отключен. Выход лазера отключен на высоком или открытом уровне. | 3 |
4 | ПДД | 2-проводная линия передачи данных последовательного интерфейса | 4 |
5 | СКЛ | 2-проводная тактовая линия с последовательным интерфейсом | 4 |
6 | МОД_АБС | Модуль отсутствует. Заземленный внутри модуля | 4 |
7 | RS0 | Оценить Выберите 0 | 5 |
8 | ЛОС | Потеря индикации сигнала. Логика 0 указывает на нормальную работу. | 6 |
9 | RS1 | Подключение не требуется | 1 |
10 | ВЕЕР | Заземление приемника (общее с заземлением передатчика) | 1 |
11 | ВЕЕР | Заземление приемника (общее с заземлением передатчика) | 1 |
12 | РД- | Приемник перевернул ДАННЫЕ вне. Переменный ток соединенный | |
13 | РД | Приемник не перевернутый выход ДАННЫХ. Переменный ток соединенный | |
14 | ВЕЕР | Заземление приемника (общее с заземлением передатчика) | 1 |
15 | Vccr | Электропитание приемника | |
16 | Vcct | Электропитание передатчика | |
17 | VEET | Земля передатчика (общая с землей приемника) | 1 |
18 | ТД | Неинвертированные ДАННЫЕ передатчика в. Переменный ток соединен. | |
19 | ТД- | Ввод инвертированных данных передатчика. Переменный ток соединен. | |
20 | VEET | Земля передатчика (общая с землей приемника) | 1 |
Примечания:
1. Ошибка TX-это выход с открытым коллектором, который следует подтянуть с помощью резистора 4,7 кОм ~ 10 кОм на хост-плате до напряжения от 2,0 В до Vcc 0,3 В. Логика 0 указывает на нормальную работу; логика 1 указывает на какую-то неисправность лазера. В низком состоянии выходное напряжение будет составлять менее 0,8 В.
2. TX Disable-это вход, который используется для отключения оптического выхода передатчика. Он подтягивается внутри модуля с помощью резистора 4,7 кОм ~ 10 кОм. Его государствами являются:
Низкий (0 ~ 0,8 В): передатчик горит
(> 0,8 В, <2,0 В): не определено
Высокий (2,0 ~ 3,3 В): передатчик отключен
Открытый: передатчик отключен
3. MOD-DEF 0,1,2-контакты определения модуля. Их следует подтянуть с помощью резистора 4,7 кОм ~ 10 кОм на плате хоста. Напряжение подтягивания должно быть VcCT или VcCR.
MOD-DEF 0 заземлен модулем, чтобы указать, что модуль присутствует
MOD-DEF 1-это тактовая линия двухпроводного последовательного интерфейса для последовательного идентификатора.
MOD-DEF 2-это линия передачи данных двухпроводного последовательного интерфейса для последовательного идентификатора
4. LOS-это выход с открытым коллектором, который следует подтянуть с помощью резистора 4,7 кОм ~ 10 кОм на плате хоста до напряжения между 2,0 В и Vcc 0,3 В. Логика 0 указывает на нормальную работу; логика 1 указывает на потерю сигнала. В низком состоянии выходное напряжение будет составлять менее 0,8 В.
5. Это выход дифференциального приемника. Они представляют собой внутренне связанные переменным током дифференциальные линии 100 Ом, которые должны быть завершены с помощью 100 Ом (дифференциала) на пользовательском SERDES.
6. Это входы дифференциального передатчика. Они АК-соединенные, дифференциальные линии с дифференциальным прекращением 100Ω внутри модуля.
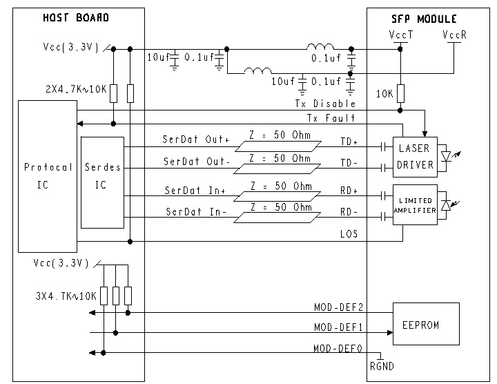
Рекомендуемая схема применения
Схемные чертежи (мм)

Соответствие нормативным требованиям
Особенность | Ссылка | Производительность |
Электростатический дисге (ESD) | МЭК/ЭН 61000-4-2 | Совместимость со стандартами |
Электромагнитные помехи (EMI) | FCC Часть 15 Класс B EN 55022 Класс B (CISPR 22A) | Совместимость со стандартами |
Безопасность глаза лазера | FDA 21CFR 1040,10, 1040,11 IEC/EN 60825-1, 2 | Лазерный продукт класса 1 |
Распознавание компонентов | ИЭК/ЭН 60950, УЛ | Совместимость со стандартами |
РОХС | 2002/95/ЕС | Совместимость со стандартами |
ЭМС | EN61000-3 | Совместимость со стандартами |
Применение
● 10GBASE-ZR/ZW 10G Ethernet
Стандарт
● Соответствует SFF-8472 SFP MSA.
● Соответствует SFP SFF-8431 и SFF-8432.
● Соответствует 802.3ae 10GBASE-ZR.
| Date | Version | Description | Download | ||
| 2025-03-17 | Спецификация данных _ 10G CWDM SFP 1470 нм ~ 1610 нм 60km_LA-OT-10GCW46-60_V2.Y | ||||
Подпишитесь сейчас, вы можете получить более 100 ценных ресурсов и белой бумаги.
Следуйте за нами, также можете получать последние продукты и отраслевую информацию в электронных письмах наших членов.Узнать подробности >>>
Позвоните нам на:
Напишите нам:
2106B, № 3D, Облако Парк Фаза 1, Bantian, Лунган, Шэньчжень, 518129, P.R.C.