Пакет SFP с разъемом LC, лазером DML CWDM DFB и фотоприемником, передачей до 40 км на SMF.
Особенности
Пакет СФП ● с соединителем ЛК
● Лазер DML CWDM DFB и PIN-TIA фотоприемник
● Передача до 40 км на SMF
● Ссылки данных до 11,3 Гбит/с
● Один источник питания 3,3 В
● Рассеиваемая мощность <1,5 Вт.
● 2-проводной интерфейс со встроенным цифровым диагностическим контролем
● Низкий уровень электромагнитных помех и отличная защита от электростатического разряда
● Стандарт лазерной безопасности IEC-60825 совместим
● Совместимость с RoHS
● Соответствует SFF-8472 SFP MSA
● Соответствует SFP SFF-8431 и SFF-8432
Абсолютные максимальные рейтинги
Параметр | Символ | Минимум | Максимум | Единицы |
Температура хранения | TST | -40 | + 85 | ° С |
Напряжение питания | Vcc | -0,3 | + 3,5 | V |
Рабочий Относительный Влажность | Правый | 5 | 95 | % |
Операционная среда
Параметр | Символ | Мин | Типичные | Макс | Единицы |
Напряжение питания | Vcc | 3,15 | 3,3 | 3,45 | V |
Операционный случай Температура | ТК | 0 | + 70 | ° С | |
Рассеиваемая мощность | 1,5 | Вт | |||
Скорость передачи данных | 10,3125 | Гбит/с |
Оптические характеристики
Параметр | Символ | Мин. | Типа. | Макс. | Единицы |
Секция передатчика | |||||
Длина волны центра | LO | 1270 | 1370 | Нм | |
Спектральная ширина (-20 дБ) | ДЛ | 1 | Нм | ||
Средняя выходная мощность | По | 0 | 5 | ДБм | |
Коэффициент вымираания | Er | 3,5 | ДБ | ||
Боковой режим Коэффициент подавления | СМСР | 30 | ДБ | ||
Общее дрожание | TJ | IEEE 802.3ae | |||
Секция приемника | |||||
Длина волны центра | LO | 1270 | 1610 | Нм | |
Чувствительность приемника | Рсен | − 15 | ДБм | ||
Перегрузка приемника | Ров | 0 | ДБм | ||
Возвращенная потеря | 12 | ДБ | |||
ЛОС Ассерт | ЛОСА | − 28 | ДБм | ||
ЛОС Десерт | Losd | − 16 | ДБм | ||
ЛОС Гистерезис | 0,5 | 4 | |||
Электрические характеристики
Параметр | Символ | Мин. | Типа. | Макс. | Единица | |
Секция передатчика | ||||||
Дифференциальный вход Импендентность | Зин | 90 | 100 | 110 | Ом | |
Качели ввода данных Дифференциальный | Вин | 180 | 700 | МВ | ||
Отключить TX | Отключить | 2,0 | Vcc | V | ||
Включить | -0,3 | 0,8 | V | |||
Неисправность tx | Ассерт | 2,4 | Vcc | V | ||
Дезерт | -0,3 | 0,8 | V | |||
Секция приемника | ||||||
Выходной дифференциал Импенденс | Зут | 80 | 100 | 120 | Ом | |
Качели ввода данных Дифференциальный | Vout | 300 | 850 | МВ | ||
Ркс_ЛОС | Ассерт | 2,0 | Vcc | V | ||
Дезерт | -0,3 | 0,4 | V | |||
Диагностика
Параметр | Диапазон | Точность | Единица | Калибровка |
Температура | 0 ~ 70 | ± 5 | ° С | Внутренние |
Напряжение | 3,15 ~ 3,45 | ± 0,1 | V | Внутренние |
Смещения тока | 10 ~ 80 | ± 2 | МА | Внутренние |
Мощность Tx | -2 ~ 5 | ± 2 | ДБм | Внутренние |
Мощность Rx | -16 ~ -3 | ± 3 | ДБм | Внутренние |
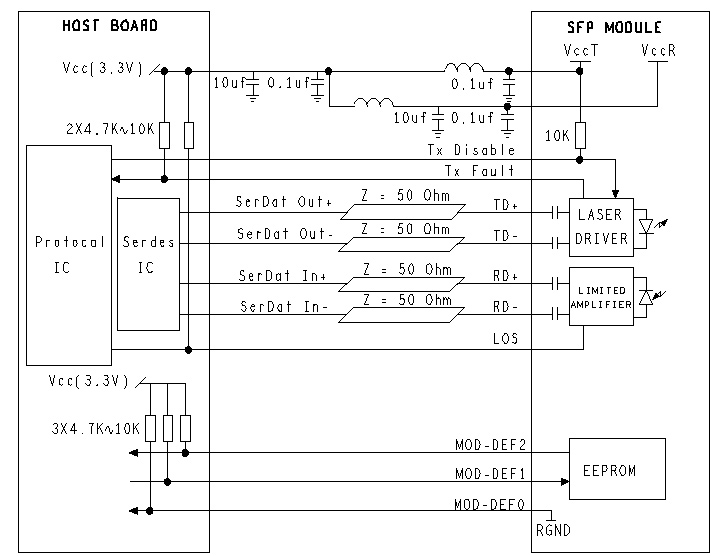
Описание штифта

Булавки | Имя | Описание | ПРИМЕЧАНИЕ |
1 | Веит | Земля передатчика | |
2 | Неисправность tx | Индикация неисправности передатчика | 1 |
3 | Отключить Tx | Отключить передатчик | 2 |
4 | Мод DEF2 | Определение модуля 2 | 3 |
5 | Мод DEF1 | Определение модуля 1 | 3 |
6 | Мод DEF0 | Определение модуля 0 | 3 |
7 | RS0 | Не подключен | |
8 | ЛОС | Потеря сигнала | 4 |
9 | RS1 | Не подключен | |
10 | VeeR | Земля приемника | |
11 | VeeR | Земля приемника | |
12 | РД- | Инв. Полученный вывод данных | 5 |
13 | РД | Выход данных IReceived | 5 |
14 | VeeR | Земля приемника | |
15 | ВКЦР | Мощность приемника | |
16 | ВККТ | Мощность передатчика | |
17 | Веит | Земля передатчика | |
18 | ТД | Передача ввода данных | 6 |
19 | ТД- | Инв. Передача ввода данных | 6 |
20 | Веит | Земля передатчика |
Примечания:
1. Ошибка TX-это выход с открытым коллектором, который следует подтянуть с помощью резистора 4,7 кОм ~ 10 кОм на хост-плате до напряжения от 2,0 В до Vcc 0,3 В. Логика 0 указывает на нормальную работу; логика 1 указывает на какую-то неисправность лазера. В низком состоянии выходное напряжение будет составлять менее 0,8 В.
2. TX Disable-это вход, который используется для отключения оптического выхода передатчика. Он подтягивается внутри модуля с помощью резистора 4,7 кОм ~ 10 кОм. Его государствами являются:
Низкий (0 ~ 0,8 В): передатчик горит
(> 0,8 В, <2,0 В): не определено
Высокий (2,0 ~ 3,3 В): передатчик отключен
Открытый: передатчик отключен
3. MOD-DEF 0,1,2-контакты определения модуля. Их следует подтянуть с помощью резистора 4,7 кОм ~ 10 кОм на плате хоста. Напряжение подтягивания должно быть VcCT или VcCR.
MOD-DEF 0 заземлен модулем, чтобы указать, что модуль присутствует
MOD-DEF 1-это тактовая линия двухпроводного последовательного интерфейса для последовательного идентификатора.
MOD-DEF 2-это линия передачи данных двухпроводного последовательного интерфейса для последовательного идентификатора
4. LOS-это выход с открытым коллектором, который следует подтянуть с помощью резистора 4,7 кОм ~ 10 кОм на плате хоста до напряжения между 2,0 В и Vcc 0,3 В. Логика 0 указывает на нормальную работу; логика 1 указывает на потерю сигнала. В низком состоянии выходное напряжение будет составлять менее 0,8 В.
5. Это выход дифференциального приемника. Они представляют собой внутренне связанные переменным током дифференциальные линии 100 Ом, которые должны быть завершены с помощью 100 Ом (дифференциала) на пользовательском SERDES.
6. Это входы дифференциального передатчика. Они АК-соединенные, дифференциальные линии с дифференциальным прекращением 100Ω внутри модуля.
Рекомендуемая схема применения
Контура чертежа (мм)
Применение
● Ethernet
● Телеком
● Волоконный канал
| Date | Version | Description | Download | ||
| 2025-03-17 | Спецификация данных _ 10G CWDM SFP 1270 нм ~ 1370 нм 40km_LA-OT-10GCW23-40_V2.Y | ||||
Подпишитесь сейчас, вы можете получить более 100 ценных ресурсов и белой бумаги.
Следуйте за нами, также можете получать последние продукты и отраслевую информацию в электронных письмах наших членов.Узнать подробности >>>
Позвоните нам на:
Напишите нам:
2106B, № 3D, Облако Парк Фаза 1, Bantian, Лунган, Шэньчжень, 518129, P.R.C.