Пакет SFP с разъемом LC, лазером 1310nm DFB и детектором фото PIN.
Особенности
Пакет СФП ● с соединителем ЛК
Лазер ● 1310нм ДФБ и детектор фото ПИН
● Передача до 1,4 км на SMF
● Рассеиваемая мощность <1 Вт.
● LVPECL совместимый интерфейс ввода/вывода данных
● Низкий уровень электромагнитных помех и отличная защита от электростатического разряда
● Стандарт лазерной безопасности IEC-60825 совместим
● Совместимость с RoHS
● Совместимость с SFF8472
Параметр | Символ | Минимум | Максимум | Единицы |
Температура хранения | TST | -40 | + 85 | ° С |
Напряжение питания | Vcc | 0 | + 3,6 | V |
Рабочая относительная влажность | Правый | 0 | 85 | % |
Операционная среда
Параметр | Символ | Мин | Типичные | Макс | Единицы | |
Напряжение питания | Vcc | 3,15 | 3,45 | V | ||
Рабочая температура корпуса | Коммерческая | ТК | 0 | + 70 | ° С | |
Рассеиваемая мощность | 1 | Вт | ||||
Скорость передачи данных | 10,3125 | Гбит/с | ||||
Оптические характеристики
(Рабочая температура окружающей среды от 0 ° C до + 70 ° C, Vcc = 3,3 В)
Параметр | Символ | Мин. | Типа. | Макс. | Единицы |
Секция передатчика | |||||
Длина волны центра | LO | 1290 | 1310 | 1330 | Нм |
Коэффициент подавления бокового режима | СМСР | 35 | - | - | ДБ |
Средняя выходная мощность | По | -8 | - | 0,5 | ДБм |
Коэффициент вымираания | Er | 3,5 | - | - | ДБ |
Дисперсия Штраф | 3,2 | ДБ | |||
Шум относительной интенсивности | РИН12ОМА | − 128 | ДБ/Гц | ||
Общее дрожание | TJ | IEEE 802.3ae | |||
Секция приемника | |||||
Длина волны центра | LO | 1310 | Нм | ||
Чувствительность приемника | Рсен | -14 | ДБм | ||
Подчеркнутая чувствительность | Рсен | − 13 | ДБм | ||
Перегрузка приемника | Ров | -3 | ДБм | ||
Возвращенная потеря | 12 | ДБ | |||
ЛОС Ассерт | ЛОСА | -25 | ДБм | ||
ЛОС Десерт | Losd | − 15 | ДБм | ||
ЛОС Гистерезис | 0,5 | 4 | |||
Электрические характеристики
(Рабочая температура окружающей среды от 0 ° C до 70 ° C, Vcc = 3,3 В)
Параметр | Символ | Мин. | Типа. | Макс. | Единица | |
Секция передатчика | ||||||
Дифференциальное сопротивление входа | Зин | 90 | 100 | 110 | Ом | |
Дифференциал качания ввода данных | Вин | 180 | 700 | МВ | ||
Отключить TX | Отключить | 2,0 | Vcc | V | ||
Включить | 0 | 0,8 | V | |||
Неисправность tx | Ассерт | 2,0 | Vcc | V | ||
Дезерт | 0 | 0,8 | V | |||
Секция приемника | ||||||
Выходной дифференциальный импенденс | Зут | 100 | Ом | |||
Дифференциал качания вывода данных | Vout | 300 | 800 | МВ | ||
Ркс_ЛОС | Ассерт | 2,0 | Vcc | V | ||
Дезерт | 0 | 0,8 | V | |||
Диагностика
Параметр | Диапазон | Точность | Единица | Калибровка |
Температура | -10 ~ 75 | ± 5 | ° С | Внутренние |
Напряжение | 3,15 ~ 3,45 | ± 0,1 | V | Внутренние |
Смещения тока | 10 ~ 80 | ± 2 | МА | Внутренние |
Мощность Tx | -8 ~ 1 | ± 2 | ДБм | Внутренние |
Мощность Rx | -16 ~ -3 | ± 3 | ДБм | Внутренние |
ИНФОРМАЦИЯ EEPROM (A0)
Аддр | Размер поля (байты) | Название поля | Шестигранник | Описание |
0 | 1 | Идентификатор | 03 | СФП |
1 | 1 | Экзт. Идентификатор | 04 | MOD4 |
2 | 1 | Коннектор | 07 | ЛК |
3-10 | 8 | Трансивер | 10 00 00 00 00 00 00 00 | Код передатчика |
11 | 1 | Кодирование | 06 | 64B66B |
12 | 1 | КР, номинальная | 67 | 10000 м бит/с |
13 | 1 | Зарезервировано | 00 | |
14 | 1 | Длина (9um)-км | 0А | |
15 | 1 | Длина (9um) | 00 | |
16 | 1 | Длина (50um) | 00 | |
17 | 1 | Длина (62,5 мкм) | 00 | |
18 | 1 | Длина (медь) | 00 | |
19 | 1 | Зарезервировано | 00 | |
20-35 | 16 | Имя поставщика | 57 49 4Э 54 4Ф 50 20 20 20 20 20 20 20 20 20 20 | ОЕМ |
36 | 1 | Зарезервировано | 00 | |
37-39 | 3 | Поставщик OUI | 00 00 00 | |
40-55 | 16 | Поставщик PN | Хх Хх | АСК II |
56-59 | 4 | Поставщик Rev | 31 2Е 30 20 | V1.0 |
60-61 | 2 | Длина волны | 05 1Е | 1310нм |
62 | 1 | Зарезервировано | 00 | |
63 | 1 | СС БАЗА | XX | Контрольная сумма байта 0 ~ 62 |
64-65 | 2 | Варианты | 00 1А | LOS, TX_DISABLE, TX_FAULT |
66 | 1 | BR, макс | 00 | |
67 | 1 | КР, мин | 00 | |
68-83 | 16 | Поставщик SN | 00 00 00 00 00 00 00 00 00 00 00 00 00 00 00 00 | Неуказанный |
84-91 | 8 | Код даты поставщика | ХХ 20 | Год, Месяц, День |
92-94 | 3 | Зарезервировано | 00 | |
95 | 1 | CC_EXT | XX | Контрольная сумма байта 64 ~ 94 |
96-255 | 160 | Конкретный поставщик |
Описание штифта
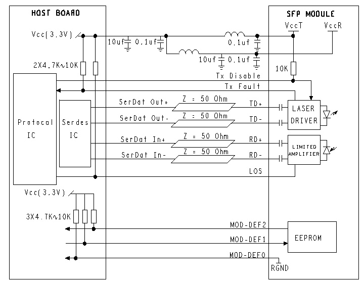
Булавки | Имя | Описание | ПРИМЕЧАНИЕ |
1 | Веит | Земля передатчика | |
2 | Неисправность tx | Индикация неисправности передатчика | 1 |
3 | Отключить Tx | Отключить передатчик | 2 |
4 | Мод DEF2 | Определение модуля 2 | 3 |
5 | Мод DEF1 | Определение модуля 1 | 3 |
6 | Мод DEF0 | Определение модуля 0 | 3 |
7 | RS0 | Не подключен | |
8 | ЛОС | Потеря сигнала | 4 |
9 | RS1 | Не подключен | |
10 | VeeR | Земля приемника | |
11 | VeeR | Земля приемника | |
12 | РД- | Инв. Полученный вывод данных | 5 |
13 | РД | Выход данных IReceived | 5 |
14 | VeeR | Земля приемника | |
15 | ВКЦР | Мощность приемника | |
16 | ВККТ | Мощность передатчика | |
17 | Веит | Земля передатчика | |
18 | ТД | Передача ввода данных | 6 |
19 | ТД- | Инв. Передача ввода данных | 6 |
20 | Веит | Земля передатчика |
Примечания:
1. Ошибка TX-это выход с открытым коллектором, который следует подтянуть с помощью резистора 4,7 кОм ~ 10 кОм на хост-плате до напряжения от 2,0 В до Vcc 0,3 В. Логика 0 указывает на нормальную работу; логика 1 указывает на какую-то неисправность лазера. В низком состоянии выходное напряжение будет составлять менее 0,8 В.
2. TX Disable-это вход, который используется для отключения оптического выхода передатчика. Он подтягивается внутри модуля с помощью резистора 4,7 кОм ~ 10 кОм. Его государствами являются:
Низкий (0 ~ 0,8 В): передатчик горит
(> 0,8 В, <2,0 В): не определено
Высокий (2,0 ~ 3465 В): передатчик отключен
Открытый: передатчик отключен
3. MOD-DEF 0,1,2-контакты определения модуля. Их следует подтянуть с помощью резистора 4,7 кОм ~ 10 кОм на плате хоста. Напряжение подтягивания должно быть VcCT или VcCR.
MOD-DEF 0 заземлен модулем, чтобы указать, что модуль присутствует
MOD-DEF 1-это тактовая линия двухпроводного последовательного интерфейса для последовательного идентификатора.
MOD-DEF 2-это линия передачи данных двухпроводного последовательного интерфейса для последовательного идентификатора
4. LOS-это выход с открытым коллектором, который следует подтянуть с помощью резистора 4,7 кОм ~ 10 кОм на плате хоста до напряжения между 2,0 В и Vcc 0,3 В. Логика 0 указывает на нормальную работу; логика 1 указывает на потерю сигнала. В низком состоянии выходное напряжение будет составлять менее 0,8 В.
5. Это выход дифференциального приемника. Они представляют собой внутренне связанные переменным током дифференциальные линии 100 Ом, которые должны быть завершены с помощью 100 Ом (дифференциала) на пользовательском SERDES.
6. Это входы дифференциального передатчика. Они АК-соединенные, дифференциальные линии с дифференциальным прекращением 100Ω внутри модуля.
Рекомендуемая схема применения

Контура чертежа (мм)

Применение
● Ethernet
● Волоконный канал
| Date | Version | Description | Download | ||
| 2025-03-17 | Спецификация _ 10G SFP LR 1310 нм 1,4 км SM LC_LA-OT-10G3-1.4_V2.Y | ||||
Подпишитесь сейчас, вы можете получить более 100 ценных ресурсов и белой бумаги.
Следуйте за нами, также можете получать последние продукты и отраслевую информацию в электронных письмах наших членов.Узнать подробности >>>
Позвоните нам на:
Напишите нам:
2106B, № 3D, Облако Парк Фаза 1, Bantian, Лунган, Шэньчжень, 518129, P.R.C.